LEMON Manuals: Even more car manuals for everyone
Home >> Oldsmobile >> 1986 >> Toronado >> Repair and Diagnosis >> Engine Performance >> System >> BCM System, Part II >> ECM Trouble Code Charts - Trouble Shooting >> Code B337, Loss Of HVAC Programmer Data (Riviera) >> Notes

Code B337, Loss Of HVAC Programmer Data (Riviera): Notes

Fig 1: Code B337 Flowchart, Loss of HVAC Programmer Data (Riviera)
G5098
Fig 2: Code B337 Flowchart, Loss of HVAC Programmer Data (Riviera)
GB0048364
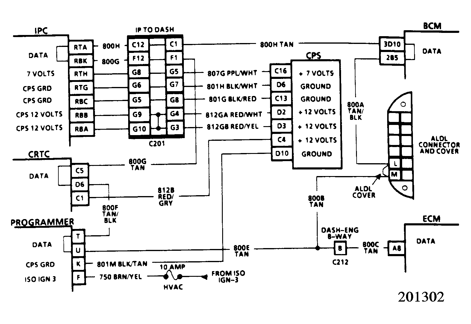
Fig 3: Code B337 Schematic, Loss of HVAC Programmer Data (Riviera)
G201302

Code B337 will set if the ignition is on and the BCM is not able to exchange data with the IPC. This means the problem must be caused by 2 opens in the data circuit, one on either side of the programmer, or loss of power or ground to the programmer. During the time the failure is present, the A/C clutch will be disabled.

  1. Checks for intermittent condition.
  2. Checks to see if the fault is due to a data circuit problem or a power or ground circuit problem.
  3. Checks to see if the data circuit problem is due to the wiring or the programmer.
  4. Checks to see if the power or ground circuit problem is due to the programmer or the circuits.
  5. Checks to see if the fault is in the power or ground circuits.