LEMON Manuals: Even more car manuals for everyone
Home >> Oldsmobile >> 1986 >> Toronado >> Repair and Diagnosis >> Engine Performance >> System >> BCM System, Part II >> ECM Trouble Code Charts - Trouble Shooting >> Code B113, In-Car Temperature Sensor Circuit (TORONADO) >> Notes

Code B113, In-Car Temperature Sensor Circuit (TORONADO): Notes

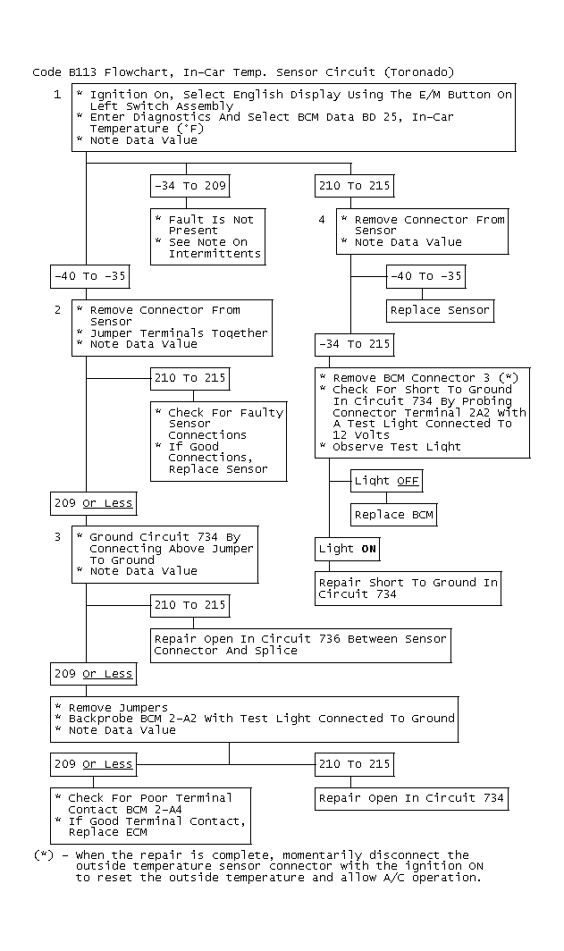
Fig 1: Code B113 Flowchart, In-Car Temp. Sensor Circuit (Toronado)
G5073
Fig 2: Code B113 Flowchart, In-Car Temp. Sensor Circuit (Toronado)
GB0048341
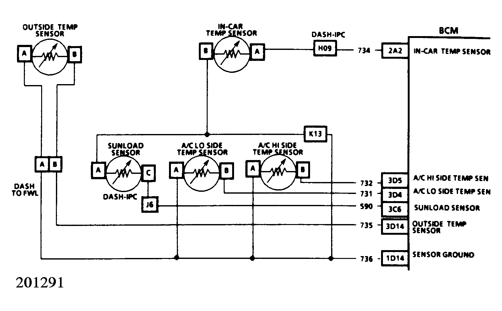
Fig 3: Code B113 Schematic, In-Car Temp. Sensor Circuit (Toronado)
G201291

The in-car temperature sensor is a thermistor that controls the signal voltage to the BCM. The BCM applies a voltage on circuit 734 to the sensor. When the sensor is cold, its resistance is high, therefore, the BCM will see a high signal voltage. As the sensor warms, its resistance becomes less and the signal voltage is pulled low through the sensor ground, circuit 736. This signal voltage will vary between 5 volts (open circuit) and 0 volts (shorted circuit).

Code B113 will set if the ignition is on, the outside temperature sensor has not failed and reads above 32°F, and the signal voltage indicates less than -34°F (open circuit) or over 209°F (shorted circuit). During the time the failure is present, a substitute temperature reading will be implemented to allow continued operation of the climate control system. The in-car temperature reading BD25 will, however, display the actual sensor reading.

  1. BCM data value BD25 displays in-car temperature. The normal range is from -34° to 209°F.
  2. Checks to see if the open circuit reading is due to the circuit or the sensor. If the open circuit reading changes to a shorted circuit reading after jumping the sensor terminals, the BCM and wiring are okay.
  3. By applying a ground to various points in the circuits, an open can be isolated by observing whether the parameter display can be changed from the open reading to the shorted reading.
  4. Checks to see if the shorted circuit reading is due to the circuit or the sensor. If the shorted circuit reading changes to an open circuit reading after disconnecting the sensor, the BCM and wiring are okay.