LEMON Manuals: Even more car manuals for everyone
Home >> Oldsmobile >> 1986 >> Toronado >> Repair and Diagnosis >> Engine Performance >> System >> BCM System, Part I >> ECM Trouble Code Charts >> Code EO15, Coolant Sensor Temperature Too Low

Code EO15, Coolant Sensor Temperature Too Low

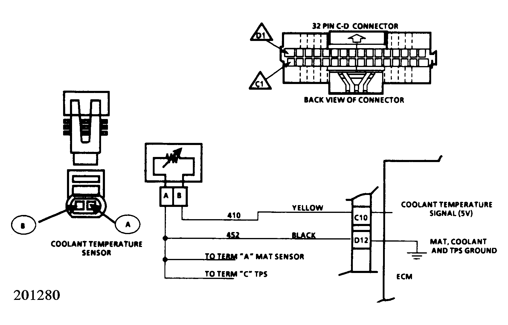
The coolant temperature sensor is a thermistor that changes in resistance with temperature. When the engine is cold, the resistance of the sensor is high; as the engine warms, the resistance of the sensor decreases.

The ECM applies a 5-volt signal at C10. When the engine is cold, (resistance high), the ECM will see a high voltage at C10. As the engine warms, (resistance decreases), the voltage at C10 will decrease. At normal engine operating temperature, the ECM will see 1-1.5 volts at terminal C10.

Coolant temperature is one of the inputs used to control: Fuel delivery, engine spark timing (EST), knock control (ESC), idle speed (IAC), converter clutch (TCC), canister purge (CCP) and EGR.

Code EO15 will set if: Coolant temperature is below -30°F (-35°C) for 4 seconds, or engine run time is longer than 1 minute.

If the sensor or circuit is open, the ECM will see -30°F (-35°C) and command the system FULL RICH. In temperatures above 20°F (7°C), the engine may not start due to overrich condition, unless "clear flood" is used (fully depressing accelerator).

  1. First validate that a problem is present. A display of -34°C or cooler indicates a high signal voltage (open circuit).
  2. By jumpering connector terminal "A" to "B", a low resistance circuit is created. This should cause the display to read 148°C or warmer if the system is operating properly.
  3. Checks for ECM coolant temperature signal from the ECM.
  4. Because the MAT and TPS share the same ground as the coolant sensor, they MUST BE DISCONNECTED to prevent component damage. This confirms the system ground and ECM operation.
Fig 1: Code E015, Coolant Sensor Temperature Too Low
G5050
Fig 2: Code E015, Schematic
G201280