LEMON Manuals: Even more car manuals for everyone
Home >> Nissan-Datsun >> 2017 >> Sentra SR >> Repair and Diagnosis >> External Pages >> Different car >> Section 63 (Security Control System (With Intelligent Key System)) >> Wiring Diagram >> Intelligent Key System/Engine Start Function >> Wiring Diagram

Intelligent Key System/Engine Start Function: Wiring Diagram

WARNING: This page is about a different car, the 2016 Nissan Sentra. However, it is still accessible from the selected car via links, so may be relevant.
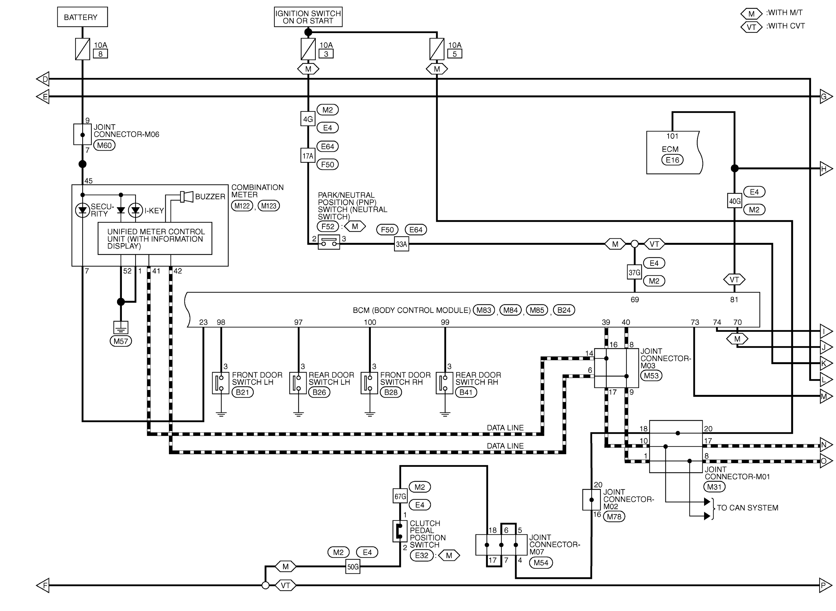
Fig 1: Intelligent Key System/Engine Start Function Wiring Diagram (1 Of 4)
GNSABKWA3172GB-172Courtesy of NISSAN NORTH AMERICA, INC.
Fig 2: Intelligent Key System/Engine Start Function Wiring Diagram (2 Of 4)
GNSABKWA3188GB-188Courtesy of NISSAN NORTH AMERICA, INC.
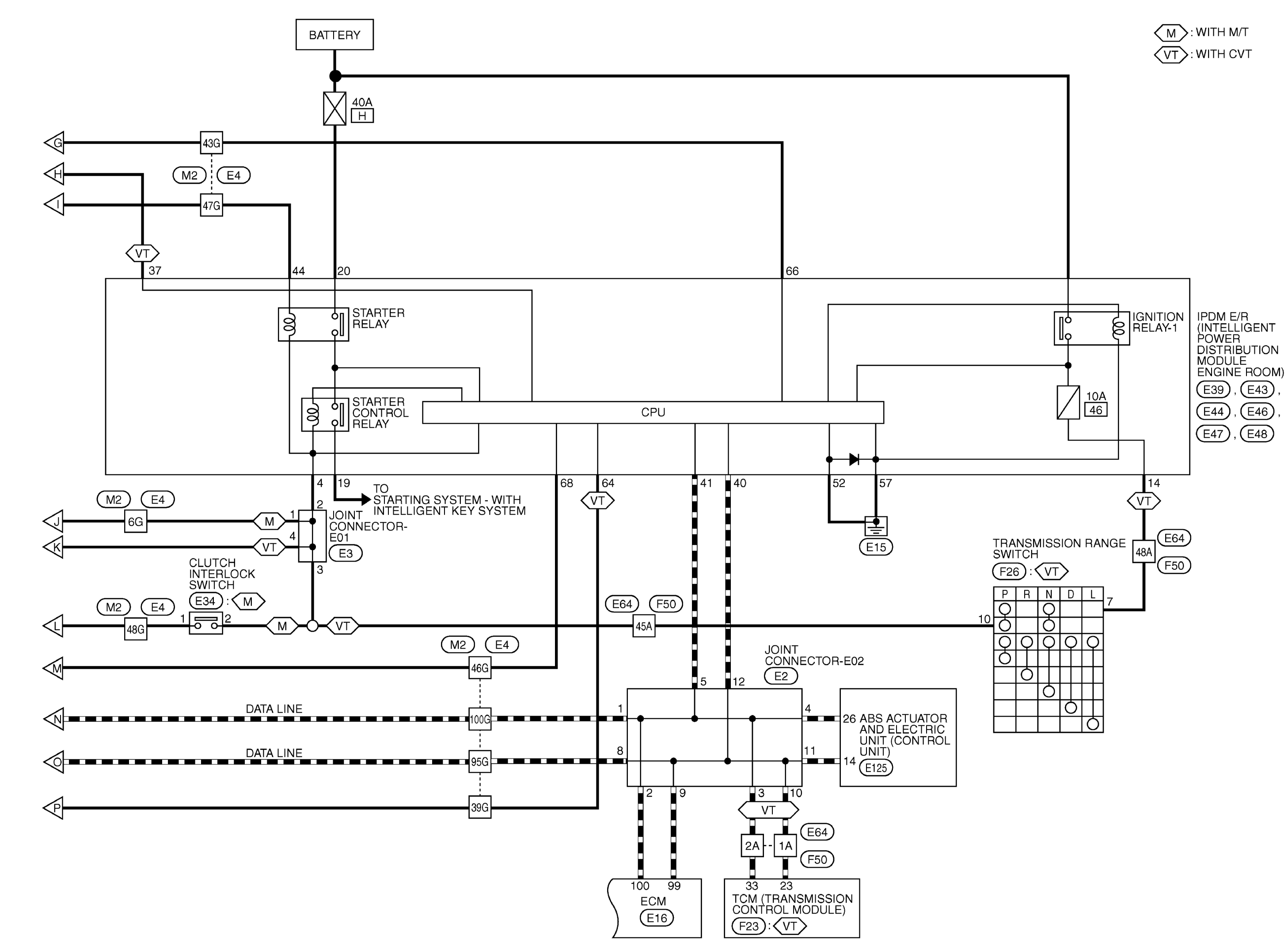
Fig 3: Intelligent Key System/Engine Start Function Wiring Diagram (3 Of 4)
GNSABKWA3173GB-173Courtesy of NISSAN NORTH AMERICA, INC.
Fig 4: Intelligent Key System/Engine Start Function Wiring Diagram (4 Of 4)
GNSABKWA3174GB-174Courtesy of NISSAN NORTH AMERICA, INC.
Fig 5: Intelligent Key System/Engine Start Function Connectors (1 Of 10)
GNSABKIA7285GB-285Courtesy of NISSAN NORTH AMERICA, INC.
Fig 6: Intelligent Key System/Engine Start Function Connectors (2 Of 10)
GNSABKIA7286GB-286Courtesy of NISSAN NORTH AMERICA, INC.
Fig 7: Intelligent Key System/Engine Start Function Connectors (3 Of 10)
GNSABKIA7287GB-287Courtesy of NISSAN NORTH AMERICA, INC.
Fig 8: Intelligent Key System/Engine Start Function Connectors (4 Of 10)
GNSABKIA7288GB-288Courtesy of NISSAN NORTH AMERICA, INC.
Fig 9: Intelligent Key System/Engine Start Function Connectors (5 Of 10)
GNSABKIA7289GB-289Courtesy of NISSAN NORTH AMERICA, INC.
Fig 10: Intelligent Key System/Engine Start Function Connectors (6 Of 10)
GNSABKIA7290GB-290Courtesy of NISSAN NORTH AMERICA, INC.
Fig 11: Intelligent Key System/Engine Start Function Connectors (7 Of 10)
GNSABKIA7291GB-291Courtesy of NISSAN NORTH AMERICA, INC.
Fig 12: Intelligent Key System/Engine Start Function Connectors (8 Of 10)
GNSABKIA7292GB-292Courtesy of NISSAN NORTH AMERICA, INC.
Fig 13: Intelligent Key System/Engine Start Function Connectors (9 Of 10)
GNSABKIA7293GB-293Courtesy of NISSAN NORTH AMERICA, INC.
Fig 14: Intelligent Key System/Engine Start Function Connectors (10 Of 10)
GNSABKIA7294GB-294Courtesy of NISSAN NORTH AMERICA, INC.