LEMON Manuals: Even more car manuals for everyone
Home >> Nissan-Datsun >> 2014 >> Rogue Select AWD >> Repair and Diagnosis >> Engine Performance >> System >> Engine Control System (Introduction) >> System Description >> Engine Control System >> System Diagram

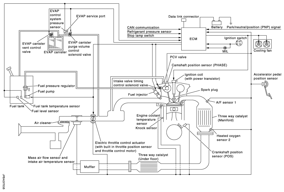
System Diagram

Fig 1: Engine Control - System Diagram
G06583999Courtesy of NISSAN NORTH AMERICA, INC.