LEMON Manuals: Even more car manuals for everyone
Home >> Nissan-Datsun >> 2013 >> Sentra SR >> Repair and Diagnosis >> External Pages >> Different car >> Section 35 (Security Control System (Without Intelligent Key System)) >> Wiring Diagram >> Vehicle Security System >> Wiring Diagram

Vehicle Security System: Wiring Diagram

WARNING: This page is about a different car, the 2017 Nissan Sentra. However, it is still accessible from the selected car via links, so may be relevant.
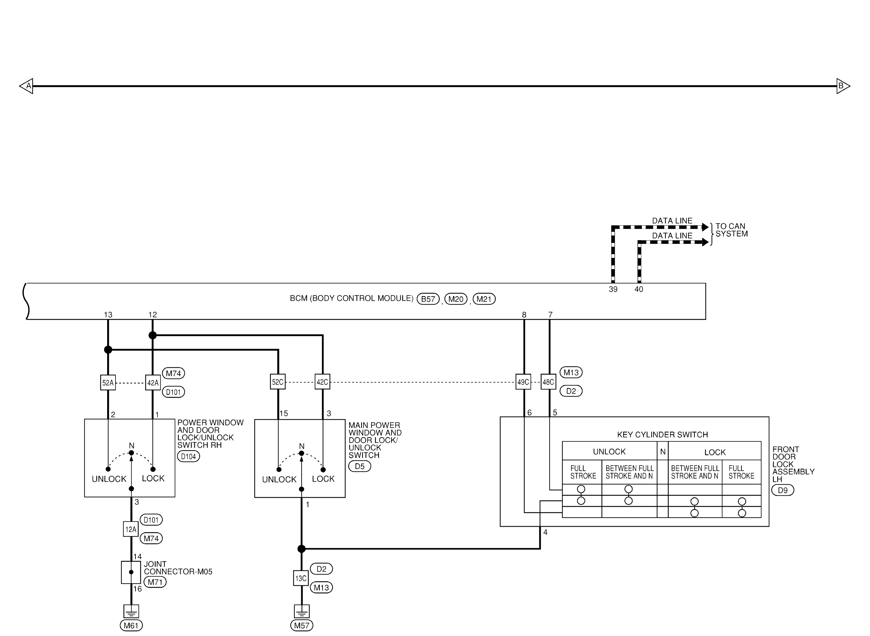
GNSAAKWA1665GB-665Courtesy of NISSAN NORTH AMERICA, INC.
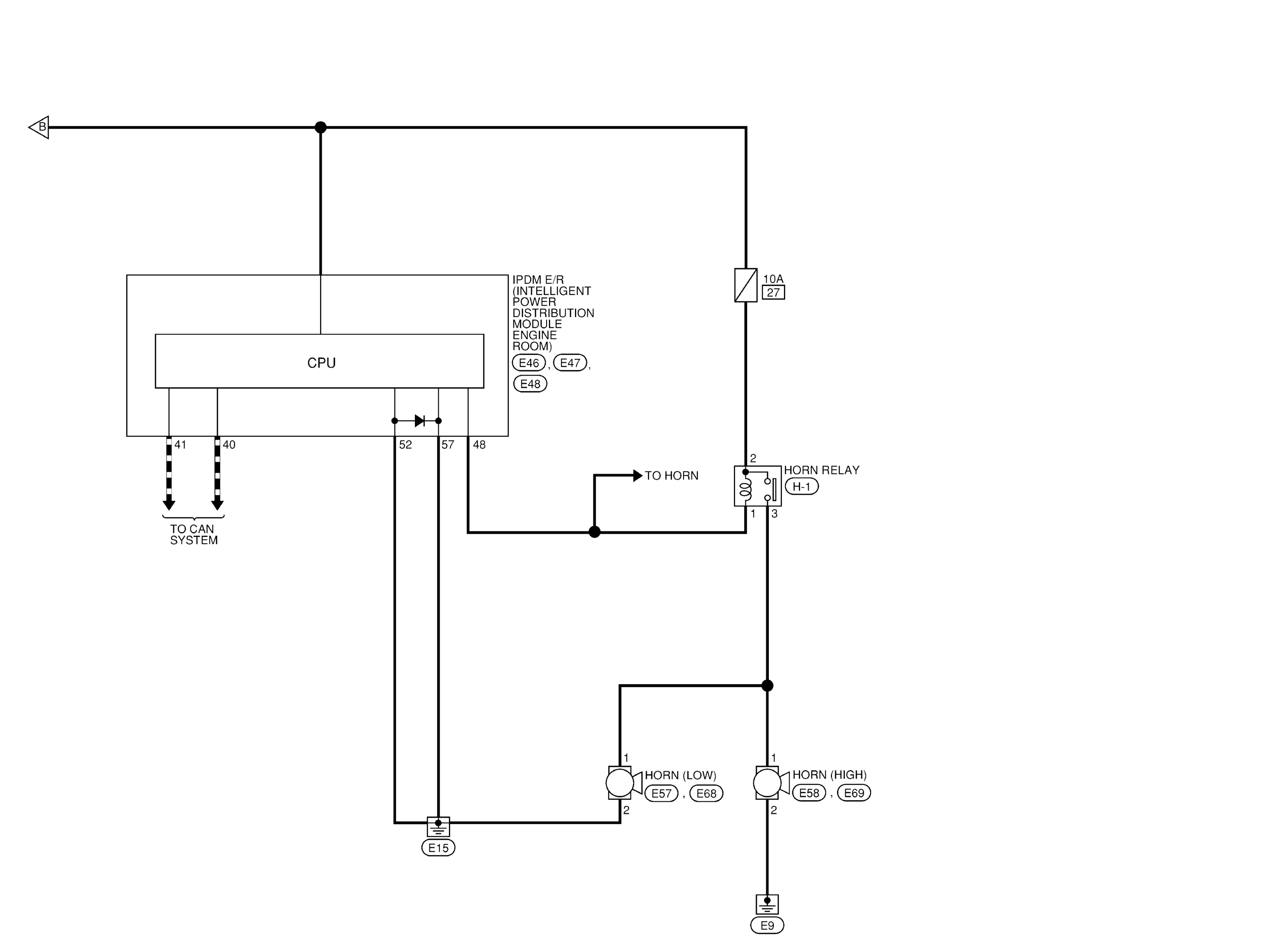
GNSAAKWA1647GB-647Courtesy of NISSAN NORTH AMERICA, INC.
GNSAAKWA1666GB-666Courtesy of NISSAN NORTH AMERICA, INC.
GNSAAKIA4613GB-613Courtesy of NISSAN NORTH AMERICA, INC.
GNSAAKIA4614GB-614Courtesy of NISSAN NORTH AMERICA, INC.
GNSAAKIA4615GB-615Courtesy of NISSAN NORTH AMERICA, INC.
GNSAAKIA4616GB-616Courtesy of NISSAN NORTH AMERICA, INC.
GNSAAKIA4617GB-617Courtesy of NISSAN NORTH AMERICA, INC.
GNSAAKIA4618GB-618Courtesy of NISSAN NORTH AMERICA, INC.
GNSAAKIA4619GB-619Courtesy of NISSAN NORTH AMERICA, INC.
GNSAAKIA4620GB-620Courtesy of NISSAN NORTH AMERICA, INC.
GNSAAKIA4621GB-621Courtesy of NISSAN NORTH AMERICA, INC.