LEMON Manuals: Even more car manuals for everyone
Home >> Nissan-Datsun >> 2013 >> Altima Base >> Repair and Diagnosis >> External Pages >> Different car >> Section 107 (Security Control System (With Intelligent Key System)) >> Ecu Diagnosis Information >> BCM (Body Control Module) >> Wiring Diagram - BCM

Wiring Diagram - BCM

WARNING: This page is about a different car, the 2013 Nissan Cube. However, it is still accessible from the selected car via links, so may be relevant.

For connector terminal arrangements, harness layouts, and letters in a "diamond shape" symbol (option abbreviation; if not described in wiring diagram), refer to "CONNECTOR INFORMATION ".

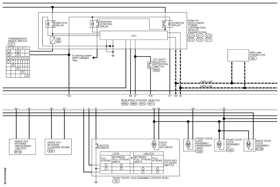
Fig 1: Body Control Module Wiring Diagram (With Intelligent Key) (1 Of 4)
G08702132Courtesy of NISSAN NORTH AMERICA, INC.
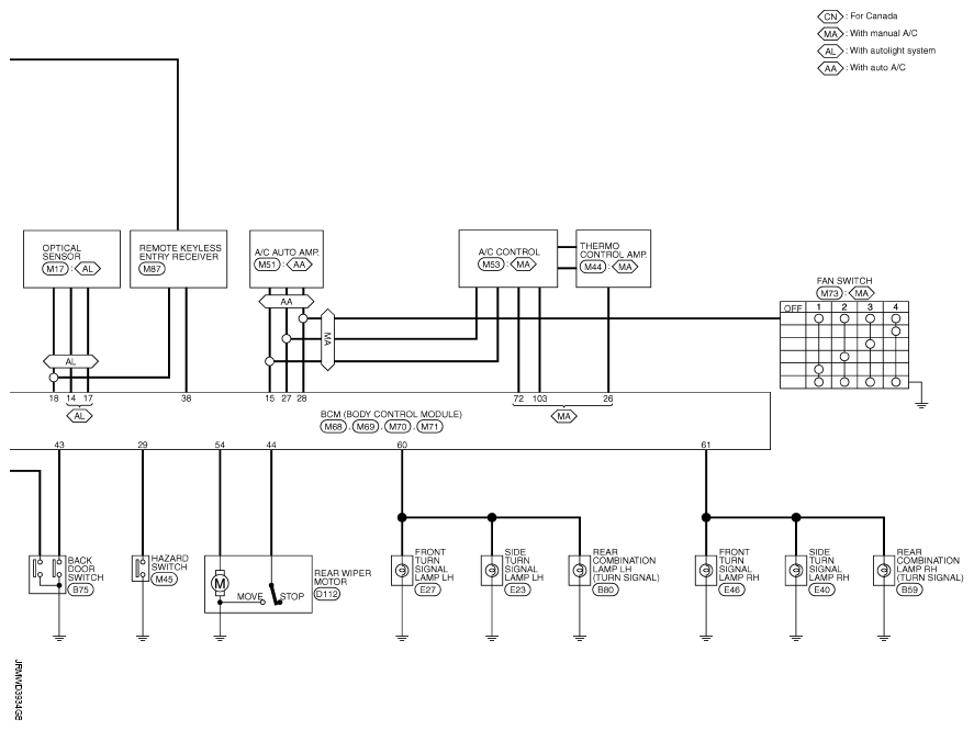
Fig 2: Body Control Module Wiring Diagram (With Intelligent Key) (2 Of 4)
G08702133Courtesy of NISSAN NORTH AMERICA, INC.
Fig 3: Body Control Module Wiring Diagram (With Intelligent Key) (3 Of 4)
G08702134Courtesy of NISSAN NORTH AMERICA, INC.
Fig 4: Body Control Module Wiring Diagram (With Intelligent Key) (4 Of 4)
G08702135Courtesy of NISSAN NORTH AMERICA, INC.