LEMON Manuals: Even more car manuals for everyone
Home >> Nissan-Datsun >> 2013 >> Altima Base >> Repair and Diagnosis >> External Pages >> Different car >> Section 107 (Security Control System (With Intelligent Key System)) >> DTC/Circuit Diagnosis >> Intelligent Key System/Engine Start Function >> Wiring Diagram - INTELLIGENT KEY SYSTEM/ENGINE START FUNCTION

Wiring Diagram - INTELLIGENT KEY SYSTEM/ENGINE START FUNCTION

WARNING: This page is about a different car, the 2013 Nissan Cube. However, it is still accessible from the selected car via links, so may be relevant.

For connector terminal arrangements, harness layouts, and letters in a "diamond shape" symbol (option abbreviation; if not described in wiring diagram), refer to "CONNECTOR INFORMATION ".

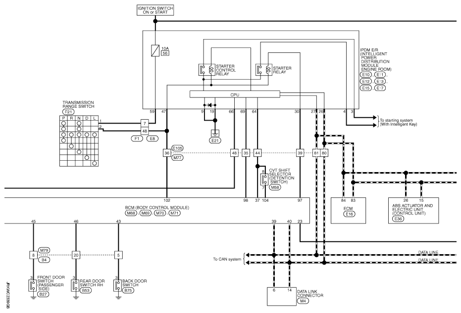
Fig 1: Intelligent Key System Wiring Diagram (1 Of 3)
G08700511Courtesy of NISSAN NORTH AMERICA, INC.
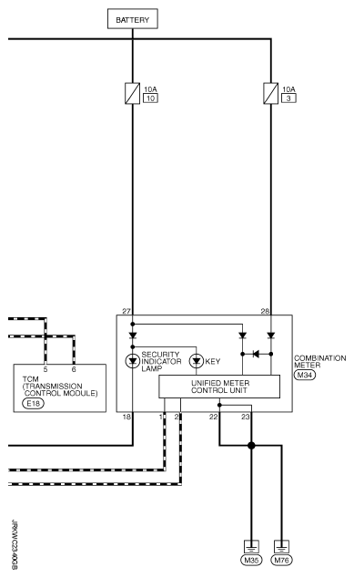
Fig 2: Intelligent Key System Wiring Diagram (2 Of 3)
G08700512Courtesy of NISSAN NORTH AMERICA, INC.
Fig 3: Intelligent Key System Wiring Diagram (3 Of 3)
G08700513Courtesy of NISSAN NORTH AMERICA, INC.