LEMON Manuals: Even more car manuals for everyone
Home >> Nissan-Datsun >> 2012 >> Sentra SE-R >> Repair and Diagnosis >> External Pages >> Different variant/trim >> Section 15 (Engine Control System - Introduction (MR20DE) (Except CALIFORNIA)) >> Service Information >> Engine Control System >> Schematic

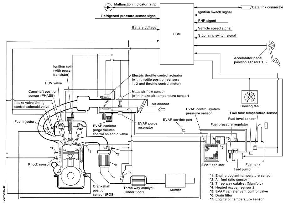
Engine Control System: Schematic

WARNING: This page is about a different variant/trim than selected.
Fig 1: Engine Control System Schematic
G06550840Courtesy of NISSAN NORTH AMERICA, INC.