LEMON Manuals: Even more car manuals for everyone
Home >> Nissan-Datsun >> 2012 >> Cube Base >> Repair and Diagnosis >> Engine Performance >> System >> Engine Control System - Introduction (CALIFORNIA) >> System Description >> Engine Control System >> System Diagram

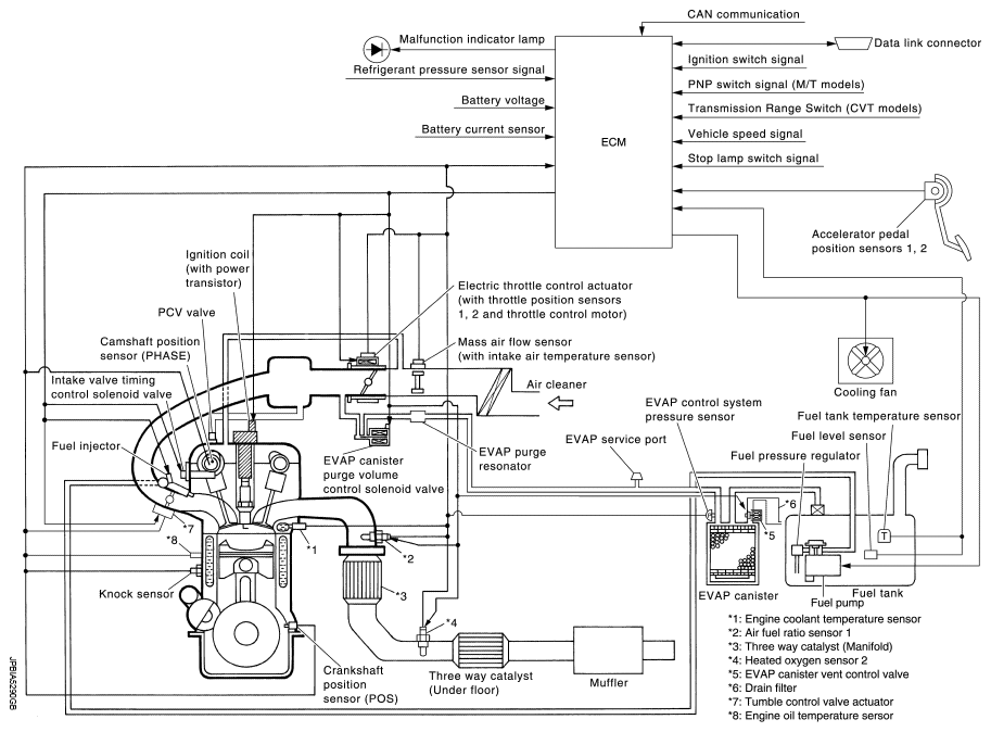
System Diagram

Fig 1: Identifying Engine Control System Diagram
G08128704Courtesy of NISSAN NORTH AMERICA, INC.