LEMON Manuals: Even more car manuals for everyone
Home >> Nissan-Datsun >> 2011 >> Sentra SE-R >> Repair and Diagnosis >> External Pages >> Different variant/trim >> Section 11 (Engine Control System - Component Testing (MR20DE) (CALIFORNIA)) >> ASCD Indicator >> Wiring Diagram

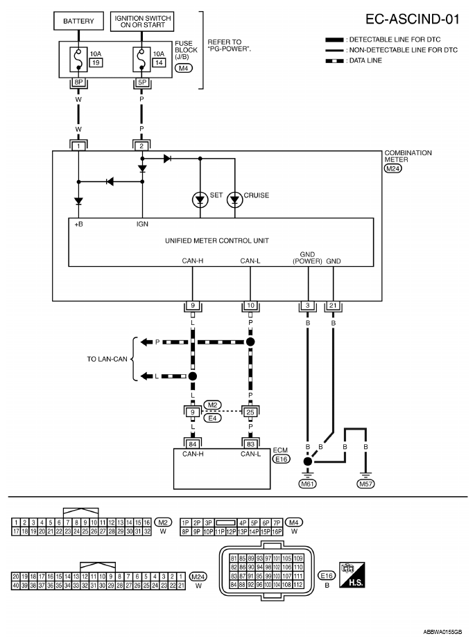
ASCD Indicator: Wiring Diagram

WARNING: This page is about a different variant/trim than selected.
Fig 1: Wiring Diagram - EC-ASCIND-01
G07138364Courtesy of NISSAN MOTOR CO., U.S.A.