LEMON Manuals: Even more car manuals for everyone
Home >> Nissan-Datsun >> 2011 >> Sentra SE-R >> Repair and Diagnosis >> Engine Performance >> System >> Engine Control System - Component Testing (Qr25DE) >> Mil And Data Link Connector >> Wiring Diagram

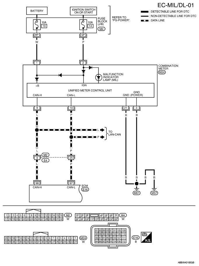
Mil And Data Link Connector: Wiring Diagram

Fig 1: EC-MIL/DL-01 - Wiring Diagram
G07144513Courtesy of NISSAN MOTOR CO., U.S.A.
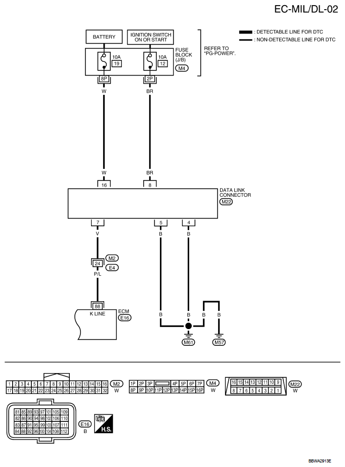
Fig 2: EC-MIL/DL-02 - Wiring Diagram
G07144514Courtesy of NISSAN MOTOR CO., U.S.A.