LEMON Manuals: Even more car manuals for everyone
Home >> Nissan-Datsun >> 2011 >> Sentra SE-R >> Repair and Diagnosis >> Engine Performance >> System >> Engine Control System - Component Testing (MR20DE) (Except CALIFORNIA) >> Mil And Data Link Connector >> Wiring Diagram

Mil And Data Link Connector: Wiring Diagram

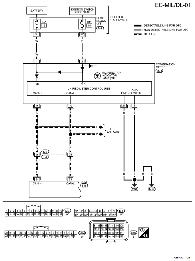
Fig 1: Wiring Diagram - EC-MIL/DL-01
G07140270Courtesy of NISSAN MOTOR CO., U.S.A.
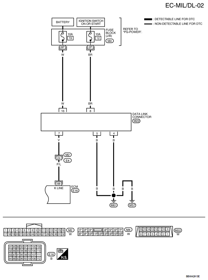
Fig 2: Wiring Diagram - EC-MIL/DL-02
G07140271Courtesy of NISSAN MOTOR CO., U.S.A.