LEMON Manuals: Even more car manuals for everyone
Home >> Nissan-Datsun >> 2011 >> Sentra SE-R >> Repair and Diagnosis >> Engine Performance >> System >> Engine Control System - Component Testing (MR20DE) (Except CALIFORNIA) >> ASCD Indicator >> Wiring Diagram

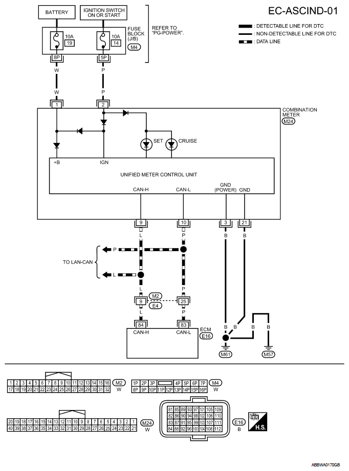
ASCD Indicator: Wiring Diagram

Fig 1: Wiring Diagram - EC-ASCIND-01
G07140230Courtesy of NISSAN MOTOR CO., U.S.A.