LEMON Manuals: Even more car manuals for everyone
Home >> Nissan-Datsun >> 2011 >> Sentra SE-R >> Repair and Diagnosis >> Engine Performance >> System >> Engine Control System - Component Testing (MR20DE) (Except CALIFORNIA) >> ASCD Brake Switch >> Wiring Diagram

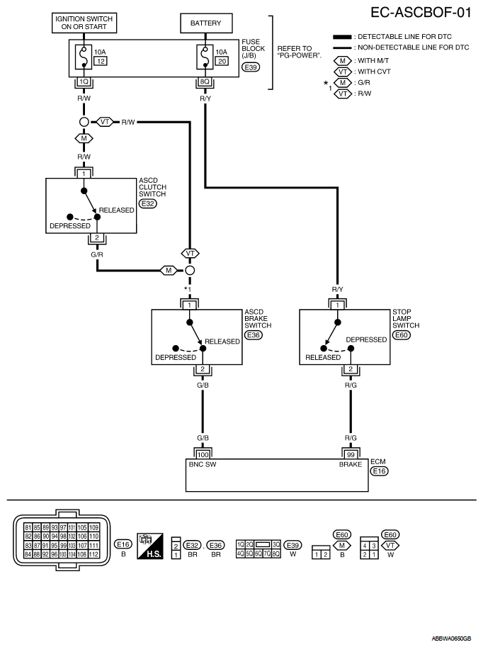
ASCD Brake Switch: Wiring Diagram

Fig 1: Wiring Diagram - EC-ASCBOF-01
G07140218Courtesy of NISSAN MOTOR CO., U.S.A.

Specification data are reference values and are measured between each terminal and ground.

CAUTION: Do not use ECM ground terminals when measuring input/output voltage. Doing so may result in damage to the ECM's transistor. Use a ground other than ECM terminals, such as the ground.
ECM CONNECTOR TERMINALS REFERENCE CHART

TERMINAL NO. WIRE COLOR ITEM CONDITION DATA (DC Voltage)
99 R/G Stop lamp switch [Ignition switch: ON] 
  • Brake pedal: Fully released
Approximately 0 V
[Ignition switch: ON] 
  • Brake pedal: Slightly depressed
BATTERY VOLTAGE (11 - 14 V)
100 G/B ASCD brake switch [Ignition switch: ON] 
  • Brake pedal: Slightly depressed (CVT)
  • Brake pedal and/or clutch pedal: Slightly depressed (M/T)
Approximately 0 V
[Ignition switch: ON] 
  • Brake pedal: Fully released (CVT)
  • Brake pedal and clutch pedal: Fully released (M/T)
BATTERY VOLTAGE (11 - 14 V)