Removal and Installation: Installation
Installation is in the reverse order of removal.
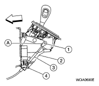
- When installing the control cable (3) to the control device assembly (2), make sure that the control cable socket is fully pressed into the control device assembly (2), and the control cable end (1) is fully pressed in with the ribbed surface (A) facing towards the front of the vehicle.
← : Vehicle front
- After installation is completed, adjust and check the CVT position. Refer to "ADJUSTMENT OF CVT POSITION " and "CHECKING OF CVT POSITION ".