LEMON Manuals: Even more car manuals for everyone
Home >> Nissan-Datsun >> 2009 >> Sentra SE-R >> Repair and Diagnosis (Single Page) >> Accessories & Equipment >> Communication Devices >> Body Control System >> Service Information >> BCM (Body Control Module) >> Schematic

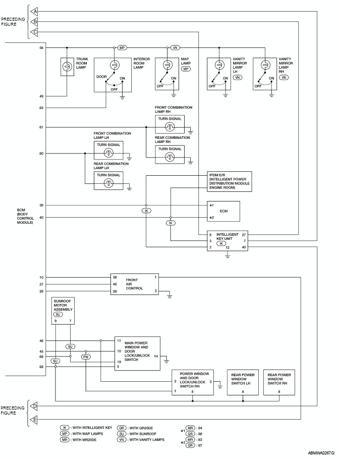
BCM (Body Control Module): Schematic

Fig 1: BCM Schematic Diagram (1 Of 2)
G04928506Courtesy of NISSAN MOTOR CO., U.S.A.
Fig 2: BCM Schematic Diagram (2 Of 2)
G05924971Courtesy of NISSAN MOTOR CO., U.S.A.