LEMON Manuals: Even more car manuals for everyone
Home >> Nissan-Datsun >> 2009 >> Sentra SE-R >> Repair and Diagnosis (Single Page) >> Accessories & Equipment >> Anti-Theft Systems >> Body, Lock & Security System >> Service Information >> Remote Keyless Entry System >> Schematic

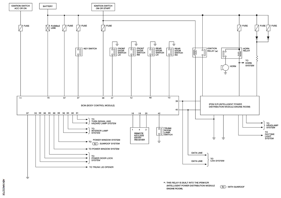
Remote Keyless Entry System: Schematic

Fig 1: Remote Keyless Entry System - Schematic Diagram
G05924627Courtesy of NISSAN MOTOR CO., U.S.A.