LEMON Manuals: Even more car manuals for everyone
Home >> Nissan-Datsun >> 2009 >> Cube Base >> Repair and Diagnosis >> Accessories & Equipment >> Anti-Theft Systems >> Security Control System (With Intelligent Key System) >> DTC/Circuit Diagnosis >> Intelligent Key System/Engine Start Function >> Wiring Diagram - INTELLIGENT KEY SYSTEM/ENGINE START FUNCTION -

Wiring Diagram - INTELLIGENT KEY SYSTEM/ENGINE START FUNCTION -

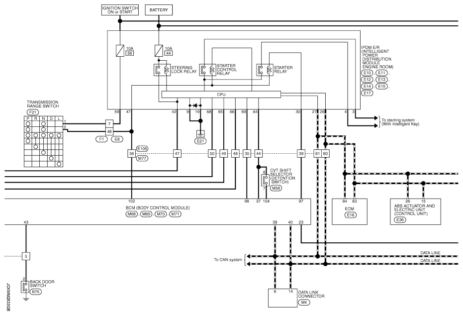
Fig 1: Intelligent Key System And Engine Start Function - Wiring Diagram (1 Of 3)
G05916394Courtesy of NISSAN MOTOR CO., U.S.A.
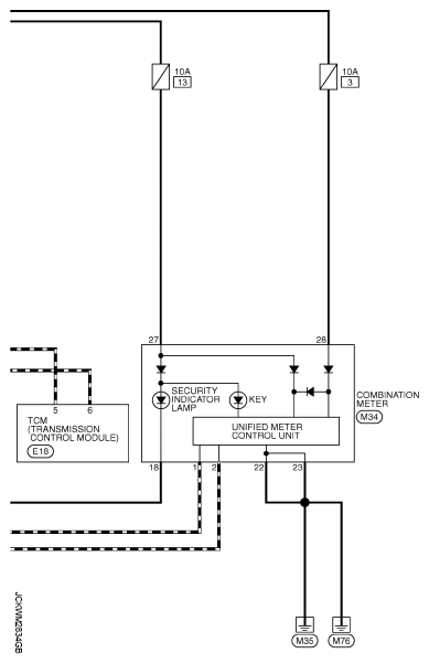
Fig 2: Intelligent Key System And Engine Start Function - Wiring Diagram (2 Of 3)
G05916395Courtesy of NISSAN MOTOR CO., U.S.A.
Fig 3: Intelligent Key System And Engine Start Function - Wiring Diagram (3 Of 3)
G05916396Courtesy of NISSAN MOTOR CO., U.S.A.
Fig 4: Identifying Intelligent Key System And Engine Start Function Connectors (1 Of 6)
G05916397Courtesy of NISSAN MOTOR CO., U.S.A.
Fig 5: Identifying Intelligent Key System And Engine Start Function Connectors (2 Of 6)
G05916398Courtesy of NISSAN MOTOR CO., U.S.A.
Fig 6: Identifying Intelligent Key System And Engine Start Function Connectors (3 Of 6)
G05916399Courtesy of NISSAN MOTOR CO., U.S.A.
Fig 7: Identifying Intelligent Key System And Engine Start Function Connectors (4 Of 6)
G05916400Courtesy of NISSAN MOTOR CO., U.S.A.
Fig 8: Identifying Intelligent Key System And Engine Start Function Connectors (5 Of 6)
G05916401Courtesy of NISSAN MOTOR CO., U.S.A.
Fig 9: Identifying Intelligent Key System And Engine Start Function Connectors (6 Of 6)
G05916402Courtesy of NISSAN MOTOR CO., U.S.A.