LEMON Manuals: Even more car manuals for everyone
Home >> Nissan-Datsun >> 2008 >> Maxima SL >> Repair and Diagnosis >> Engine Performance >> Engine Control Systems >> Engine Control System - Component Testing >> Fuel Injector >> Wiring Diagram

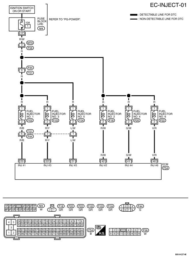
Fuel Injector: Wiring Diagram

Fig 1: EC-INJECT-01 - Wiring Diagram
G04915847Courtesy of NISSAN MOTOR CO., U.S.A.

Specification data are reference values and are measured between each terminal and ground. Pulse signal is measured by CONSULT-III.

CAUTION: Do not use ECM ground terminals when measuring input/output voltage. Doing so may result in damage to the ECM's transistor. Use a ground other than ECM terminals, such as the ground.
ITEM CONDITION SPECIFICATION

TERMINAL NO. WIRE COLOR ITEM CONDITION DATA (DC Voltage)
21
22
23
L/W
R/Y
R/B
Fuel injector No. 5
Fuel injector No. 3
Fuel injector No. 1
[Engine is running] 
  • Warm-up condition 
  • Idle speed
NOTE: The pulse cycle changes depending on rpm at idle
BATTERY VOLTAGE (11 - 14V)%(1)
G04900094Courtesy of NISSAN MOTOR CO., U.S.A.
[Engine is running] 
  • Warm-up condition 
  • Engine speed: 2, 000 rpm
BATTERY VOLTAGE (11 - 14V)(1)
G04900095Courtesy of NISSAN MOTOR CO., U.S.A.
40
41
42
V/R
G/W
R/W
Fuel injector No. 6
Fuel injector No. 4
Fuel injector No. 2
[Engine is running] 
  • Warm-up condition 
  • Idle speed
NOTE: The pulse cycle changes depending on rpm at idle
BATTERY VOLTAGE (11 - 14V)(1)
G04900094Courtesy of NISSAN MOTOR CO., U.S.A.
[Engine is running] 
  • Warm-up condition 
  • Engine speed: 2, 000 rpm
BATTERY VOLTAGE (11 - 14V)(1)
G04900095Courtesy of NISSAN MOTOR CO., U.S.A.
(1) Average voltage for pulse signal (Actual pulse signal can be confirmed by oscilloscope.)