LEMON Manuals: Even more car manuals for everyone
Home >> Nissan-Datsun >> 2008 >> Maxima SL >> Repair and Diagnosis >> Engine Performance >> Engine Control Systems >> Engine Control System - Component Testing >> Electronic Controlled Engine Mount >> Wiring Diagram

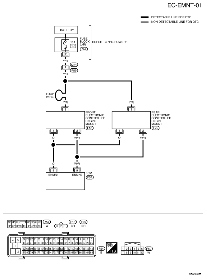
Electronic Controlled Engine Mount: Wiring Diagram

Fig 1: EC-EMNT-01 - Wiring Diagram
G04915842Courtesy of NISSAN MOTOR CO., U.S.A.

Specification data are reference values and are measured between each terminal and ground.

CAUTION: Do not use ECM ground terminals when measuring input/output voltage. Doing so may result in damage to the ECM's transistor. Use a ground other than ECM terminals, such as the ground.
ITEM CONDITION SPECIFICATION

TERMINAL NO. WIRE COLOR ITEM CONDITION DATA (DC Voltage)
8 O Electronic controlled engine mount-1 [Engine is running] 
  • Engine speed: Above 950 rpm.
BATTERY VOLTAGE (11 - 14V)
[Engine is running] 
  • For 2 seconds after engine speed is 950 rpm or less.
0 - 1.0V
[Engine is running] 
  • 2 seconds after engine speed is 950 rpm or less.
2.0 - 3.0V
9 W/R Electronic controlled engine mount-2 [Engine is running] 
  • Engine speed: Below 950 rpm.
BATTERY VOLTAGE (11 - 14V)
[Engine is running] 
  • For 2 seconds after engine speed is 950 rpm or more.
0 - 1.0V
[Engine is running] 
  • 2 seconds after engine speed is 950 rpm or more.
2.0 - 3.0V