LEMON Manuals: Even more car manuals for everyone
Home >> Nissan-Datsun >> 2007 >> Sentra SE-R >> Repair and Diagnosis >> External Pages >> Different variant/trim >> Section 10 (Engine Control System - Component Testing (MR20DE)) >> Ignition Signal >> Wiring Diagram

Ignition Signal: Wiring Diagram

WARNING: This page is about a different variant/trim than selected.

For PG, go to POWER SUPPLY, GROUND & CIRCUIT ELEMENTS .

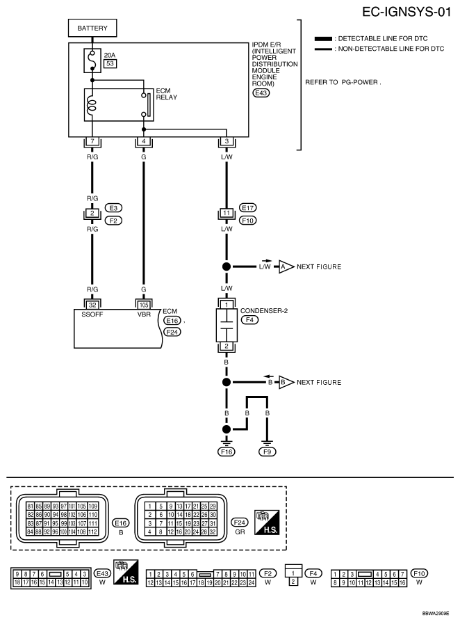
Fig 1: Wiring Diagram - EC-IGNSYS-01
G04925638

Specification data are reference values and are measured between each terminal and ground.

CAUTION: Do not use ECM ground terminals when measuring input/output voltage. Doing so may result in damage to the ECM's transistor. Use a ground other than ECM terminals, such as the ground.
TERMINAL ITEM CONDITION CHART

TERMINAL NO. WIRE COLOR ITEM CONDITION DATA (DC Voltage)
32 R/G ECM relay (Self shut-off) [Engine is running] 
[Ignition switch: OFF] 
  • For a few seconds after turning ignition switch OFF
0 - 1.0V
[Ignition switch: OFF] 
  • More than a few seconds after turning ignition switch OFF
BATTERY VOLTAGE (11 - 14V)
105 G Power supply for ECM [Ignition switch: ON]  BATTERY VOLTAGE (11 - 14V)

For PG, go to POWER SUPPLY, GROUND & CIRCUIT ELEMENTS .

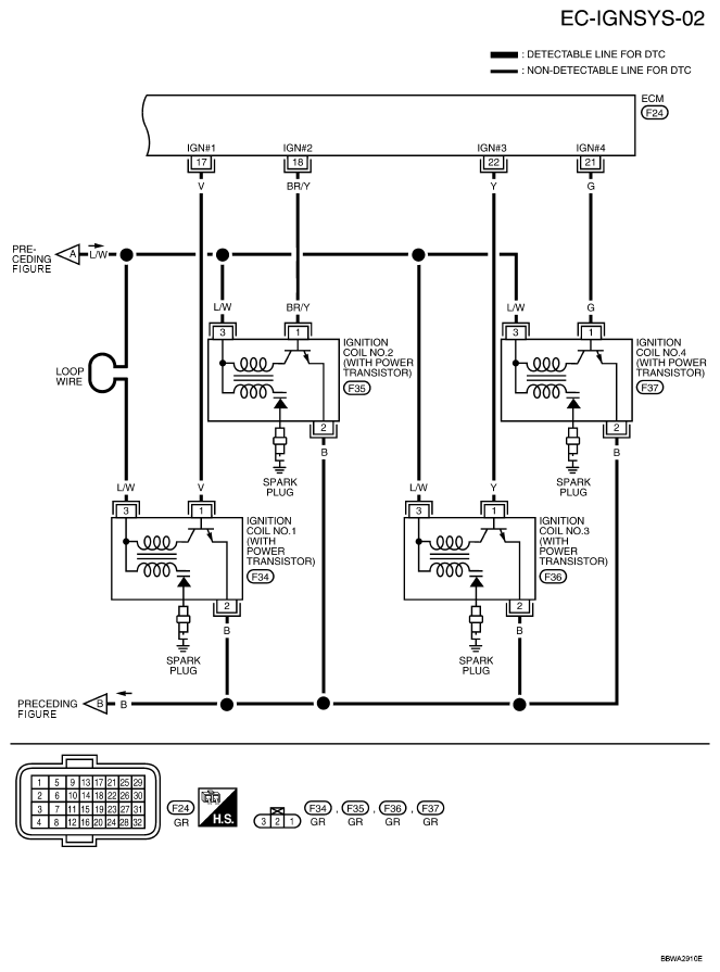
Fig 2: Wiring Diagram - EC-IGNSYS-02
G04925639

Specification data are reference values and are measured between each terminal and ground.

Pulse signal is measured by CONSULT-III.

CAUTION: Do not use ECM ground terminals when measuring input/output voltage. Doing so may result in damage to the ECM's transistor. Use a ground other than ECM terminals, such as the ground.
TERMINAL ITEM CONDITION CHART

TERMINAL NO. WIRE COLOR ITEM CONDITION DATA (DC Voltage)
17
18
21
22
V
BR/Y
G
Y
Ignition signal No. 1
Ignition signal No. 2
Ignition signal No. 4
Ignition signal No. 3
[Engine is running] 
  • Warm-up condition 
  • Idle speed
    NOTE: The pulse cycle changes depending on rpm at idle
G04925172
[Engine is running] 
  • Warm-up condition 
  • Engine speed: 2, 500 rpm
G04925173
*: Average voltage for pulse signal (Actual pulse signal can be confirmed by oscilloscope.)