LEMON Manuals: Even more car manuals for everyone
Home >> Nissan-Datsun >> 2007 >> Sentra SE-R >> Repair and Diagnosis (Single Page) >> Engine Performance >> System >> Engine Control System - Introduction (Qr25DE) >> Engine Control System >> System Diagram

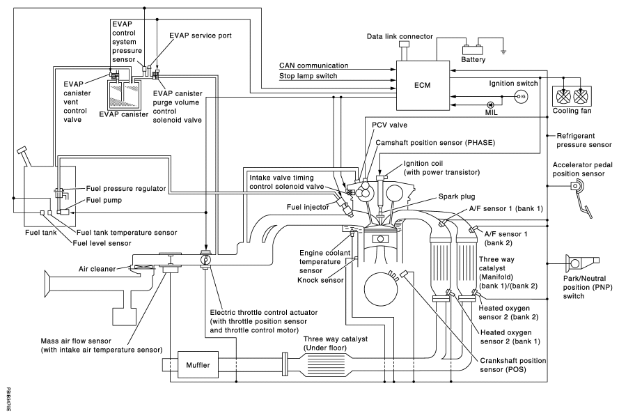
System Diagram

Fig 1: Engine Control - System Diagram
G04925685Courtesy of NISSAN NORTH AMERICA, INC.