LEMON Manuals: Even more car manuals for everyone
Home >> Nissan-Datsun >> 2007 >> Sentra SE-R >> Repair and Diagnosis (Single Page) >> Accessories & Equipment >> Communication Devices >> Body Control System >> BCM (Body Control Module) >> Schematic

BCM (Body Control Module): Schematic

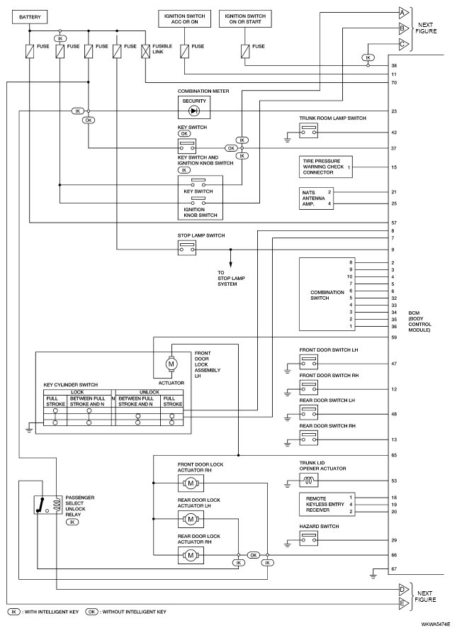
Fig 1: Ignition Switch - Schematic Diagram (1 Of 2)
G04928506
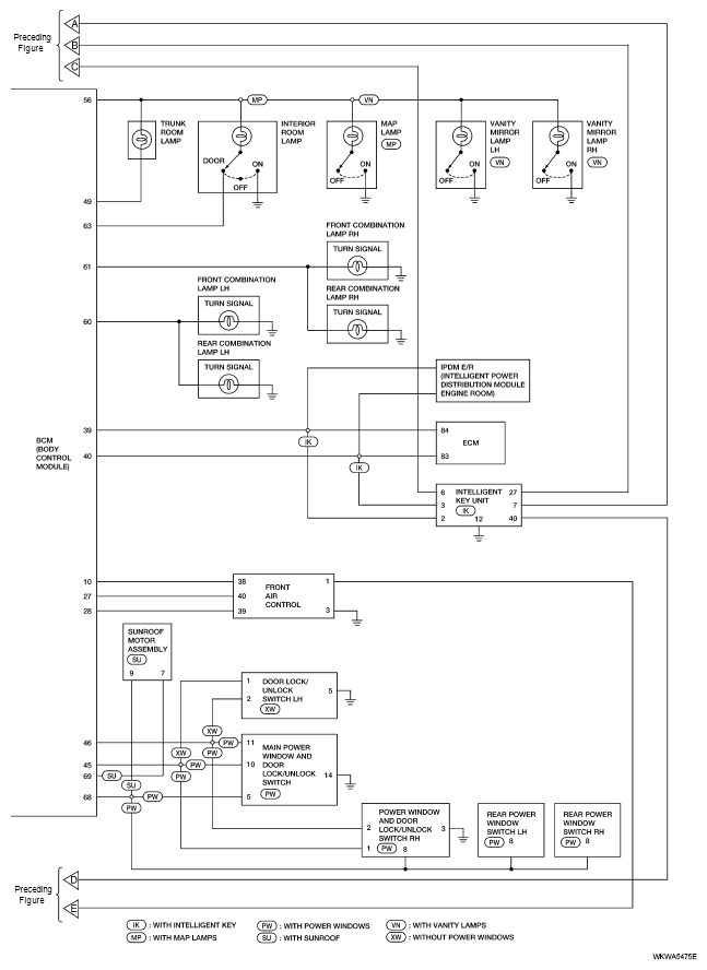
Fig 2: Ignition Switch - Schematic Diagram (2 Of 2)
G04928507