LEMON Manuals: Even more car manuals for everyone
Home >> Nissan-Datsun >> 2007 >> Sentra SE-R >> Repair and Diagnosis (Single Page) >> Accessories & Equipment >> Anti-Theft Systems >> Body, Lock & Security System >> Power Door Lock System >> Passenger Select Unlock Relay Circuit Check (With Intelligent Key)

Passenger Select Unlock Relay Circuit Check (With Intelligent Key)

  1. CHECK PASSENGER SELECT UNLOCK RELAY CIRCUIT 
    NOTE: Passenger select unlock relay must remain connected during this step.
    1. Turn ignition switch OFF.
    2. Disconnect BCM and inoperative rear door lock actuator.
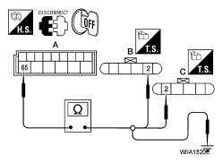
    3. Check continuity between BCM connector M20 (A) terminal 65 and rear door lock actuator LH connector D202 (B) terminal 2 or rear door lock actuator RH connector D302 (C) Terminal 2.

      65 - 2 : Continuity should exist. 

    4. Check continuity between BCM connector M20 (A) terminal 65 and body ground.

      65 - Ground : Continuity should not exist. 

    OK or NG 

    OK: GO TO  4.

    NG: GO TO 2.

    Fig 1: Checking Continuity Between BCM Connector M20 Terminal 65 And Body Ground
    G04927582
  2. CHECK PASSENGER SELECT UNLOCK RELAY INPUT 
    1. Disconnect passenger select unlock relay.
    2. Check continuity between BCM connector M20 (A) terminal 66 and passenger select unlock relay connector M14 (B) terminal 3.

      66 - 3 : Continuity should exist. 

    3. Check continuity between BCM connector M20 (A) terminal 66 and body ground.

      66 - Ground : Continuity should not exist. 

    OK or NG 

    OK: GO TO 3.

    NG: Repair or replace harness between BCM and relay.

    Fig 2: Checking Continuity Between BCM Connector M20 Terminal 66 And Body Ground
    G04927583
  3. CHECK PASSENGER SELECT UNLOCK RELAY OUTPUT 
    1. Disconnect inoperative rear door lock actuator.
    2. Check continuity between passenger select unlock relay connector M14 (A) terminal 4 and rear door lock actuator LH connector D202 (B) or rear door lock actuator RH connector D302 (C) terminal 1.

      4 - 1 : Continuity should exist. 

    3. Check continuity between passenger select unlock relay connector M14 (A) terminal 4 and ground.

      4 - Ground : Continuity should not exist. 

    OK or NG 

    OK: Replace passenger select unlock relay.

    NG: Repair or replace harness between relay and actuator.

    Fig 3: Checking Continuity Between Passenger Select Unlock Relay Connector M14 Terminal 4 And Ground
    G04927584
  4. CHECK REAR DOOR LOCK ACTUATOR ASSEMBLY 
    1. Reconnect BCM.
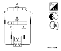
    2. Check voltage between rear door lock actuator connector LH D202 (A) or rear door lock actuator connector RH D302 (B) terminals 1 and 2.
      CONNECTOR TERMINAL VOLTAGE SPECIFICATION

      Connector Terminals Condition Voltage (V) (Approx.)
      (+) (-)
      A: D202 (LH)
      B: D302 (RH)
      2 1 Main power window and door lock/unlock switch is turned to LOCK 0 → Battery voltage
      Fig 4: Checking Rear Door Lock Actuator Assembly
      G04927585
    3. Check voltage between rear door lock actuator connector LH D202 (A) or rear door lock actuator connector RH D302 (B) terminals 1 and 2.
      REAR DOOR LOCK ACTUATOR CONNECTOR TERMINAL VOLTAGE SPECIFICATION

      Connector Terminals Condition Voltage (V) (Approx.)
      (+) (-)
      A: D202 (LH)
      B: D302 (RH)
      1 2 Main power window and door lock/unlock switch is turned to UNLOCK 0 → Battery voltage
      Fig 5: Checking Voltage Between Rear Door Lock Actuator Connector Terminals 1 And 2
      G04927586

    OK or NG 

    OK: Replace rear door lock actuator. Refer to "REMOVAL AND INSTALLATION ".

    NG: Repair or replace harness between actuator and splice.