LEMON Manuals: Even more car manuals for everyone
Home >> Nissan-Datsun >> 2006 >> Sentra SE-R >> Repair and Diagnosis >> Engine Performance >> System >> Engine Control System - Component Testing (Qr25DE) >> Electrical Load Signal >> Wiring Diagram

Electrical Load Signal: Wiring Diagram

Fig 1: Identifying Wiring Diagram (EC-LOAD-01)
G04192243Courtesy of NISSAN MOTOR CO., U.S.A.

Specification data are reference values and are measured between each terminal and ground.

CAUTION: Do not use ECM ground terminals when measuring input/output voltage. Doing so may result in damage to the ECM's transistor. Use a ground other than ECM terminals, such as the ground.
WIRE COLOR AND TERMINAL NO. DESCRIPTION

TERMINAL NO. WIRE COLOR ITEM CONDITION DATA (DC Voltage)
84 PU Electrical load signal (Headlamp signal) [Lighting switch: ON] 
  • Lighting switch: 2nd position
BATTERY VOLTAGE (11 - 14V)
[Lighting switch: ON] 
  • Lighting switch: OFF
Approximately 0V
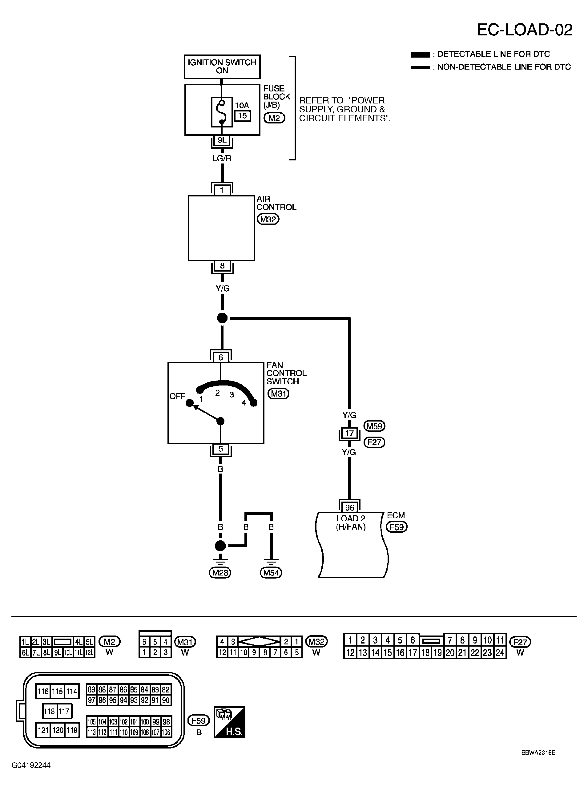
Fig 2: Identifying Wiring Diagram (EC-LOAD-02)
G04192244Courtesy of NISSAN MOTOR CO., U.S.A.

Specification data are reference values and are measured between each terminal and ground.

CAUTION: Do not use ECM ground terminals when measuring input/output voltage. Doing so may result in damage to the ECM's transistor. Use a ground other than ECM terminals, such as the ground.
WIRE COLOR AND TERMINAL NO. DESCRIPTION

TERMINAL NO. WIRE COLOR ITEM CONDITION DATA (DC Voltage)
96 Y/G Electrical load signal (Heater fan switch) [Engine is running] 
  • Heater fan switch: ON
Approximately 0V
[Engine is running] 
  • Heater fan switch: OFF
Approximately 5V
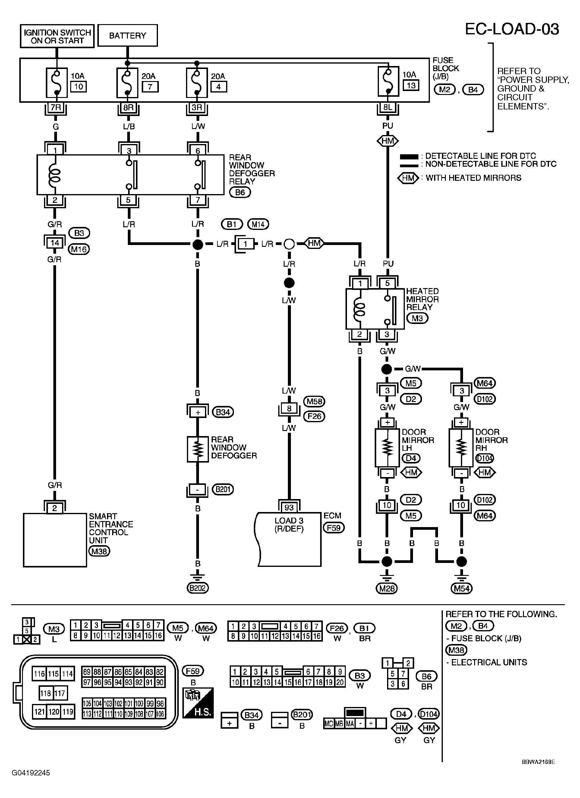
Fig 3: Identifying Wiring Diagram (EC-LOAD-03)
G04192245Courtesy of NISSAN MOTOR CO., U.S.A.

Specification data are reference values and are measured between each terminal and ground.

CAUTION: Do not use ECM ground terminals when measuring input/output voltage. Doing so may result in damage to the ECM's transistor. Use a ground other than ECM terminals, such as the ground.
WIRE COLOR AND TERMINAL NO. DESCRIPTION

TERMINAL NO. WIRE COLOR ITEM CONDITION DATA (DC Voltage)
93 L/W Electrical load signal (Rear window defogger signal) [Ignition switch: ON] 
  • Rear window defogger switch: ON
BATTERY VOLTAGE (11 - 14V)
[Ignition switch: ON] 
  • Rear window defogger switch: OFF
Approximately 0V