LEMON Manuals: Even more car manuals for everyone
Home >> Nissan-Datsun >> 2006 >> Sentra SE-R >> Repair and Diagnosis >> Brakes >> Traction Control >> Brake Control System >> Description >> Schematic

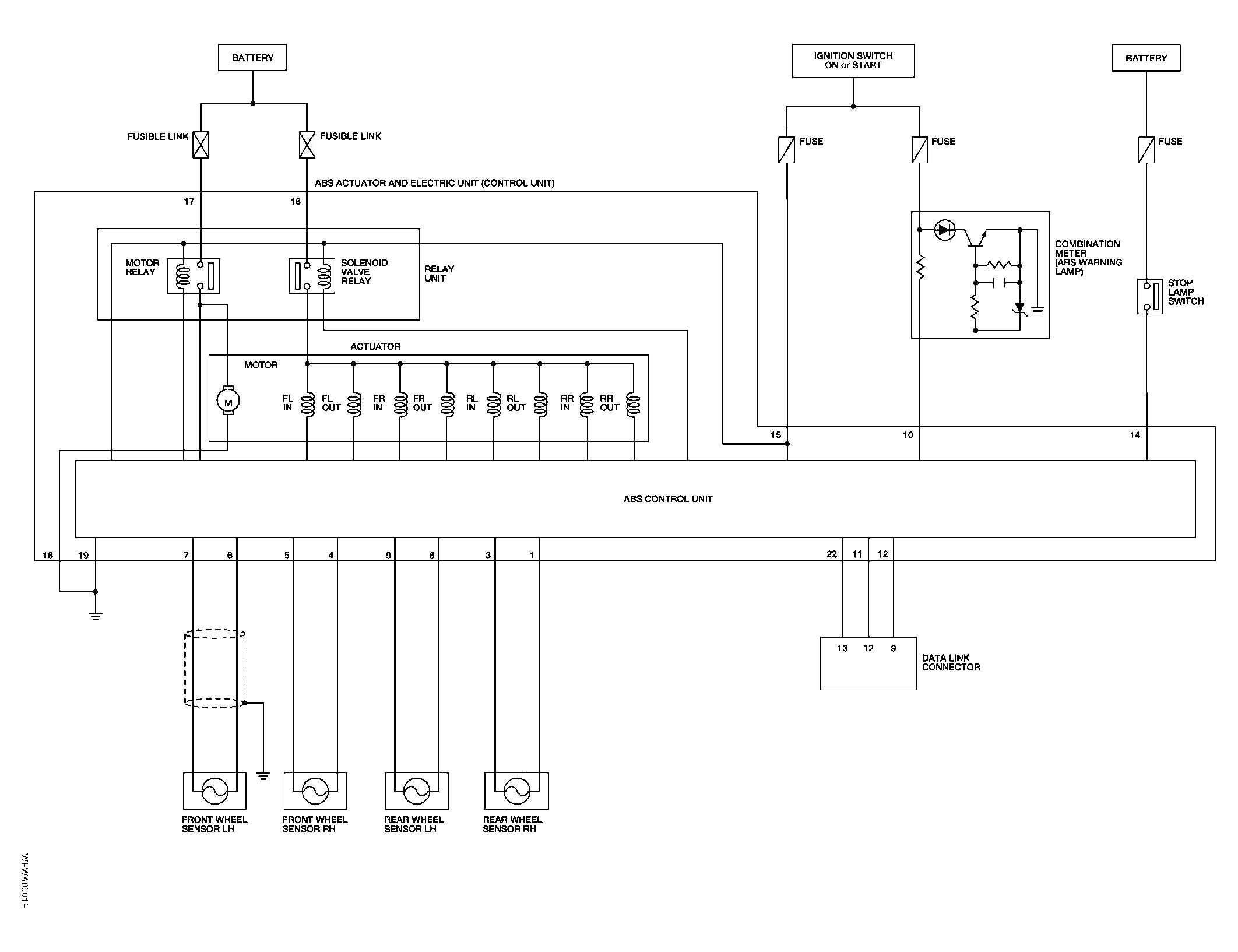
Brake Control System: Description: Schematic

Fig 1: Brake Control System Schematic Diagram
G04194675Courtesy of NISSAN MOTOR CO., U.S.A.