LEMON Manuals: Even more car manuals for everyone
Home >> Nissan-Datsun >> 2006 >> Sentra SE-R Spec V >> Repair and Diagnosis >> External Pages >> Different variant/trim >> Section 15 (Engine Control System - Component Testing (QG18DE)) >> Electrical Load Signal >> Wiring Diagram

Electrical Load Signal: Wiring Diagram

WARNING: This page is about a different variant/trim than selected.
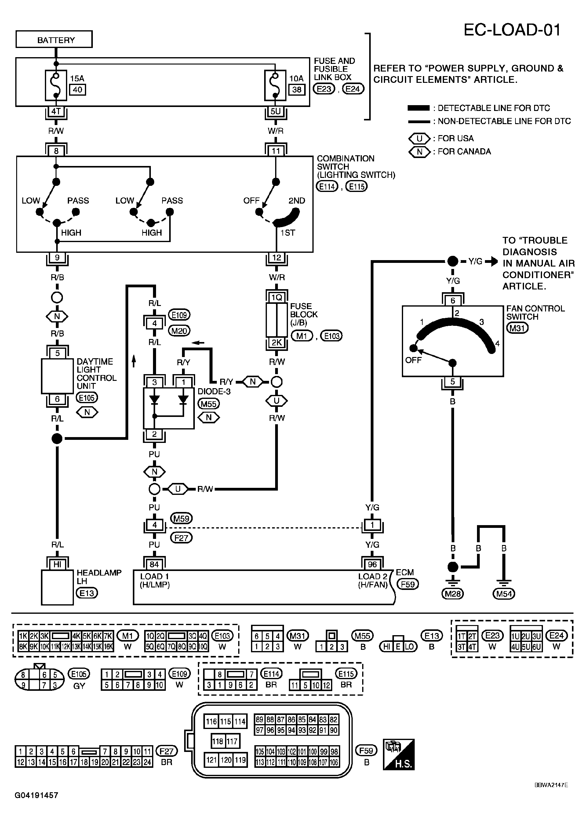
Fig 1: Identifying Wiring Diagram (EC-LOAD-01)
G04191457Courtesy of NISSAN MOTOR CO., U.S.A.

Specification data are reference values and are measured between each terminal and ground.

CAUTION: Do not use ECM ground terminals when measuring input/output voltage. Doing so may result in damage to the ECM's transistor. Use a ground other than ECM terminals, such as the ground.
TERMINALS VOLTAGE REFERENCE

TERMINAL NO. WIRE COLOR ITEM CONDITION DATA (DC Voltage)
84 PU Electrical load signal (Headlamp signal) [Ignition switch: ON] 
  • Lighting switch: 2ND position
BATTERY VOLTAGE (11 -14V)
[Ignition switch: ON] 
  • Lighting switch: OFF
Approximately 0V
96 Y/G Electrical load signal (Heater fan signal) [Engine is running] 
  • Heater fan switch: ON
Approximately 0V
[Engine is running] 
  • Heater fan switch: OFF
Approximately 5V
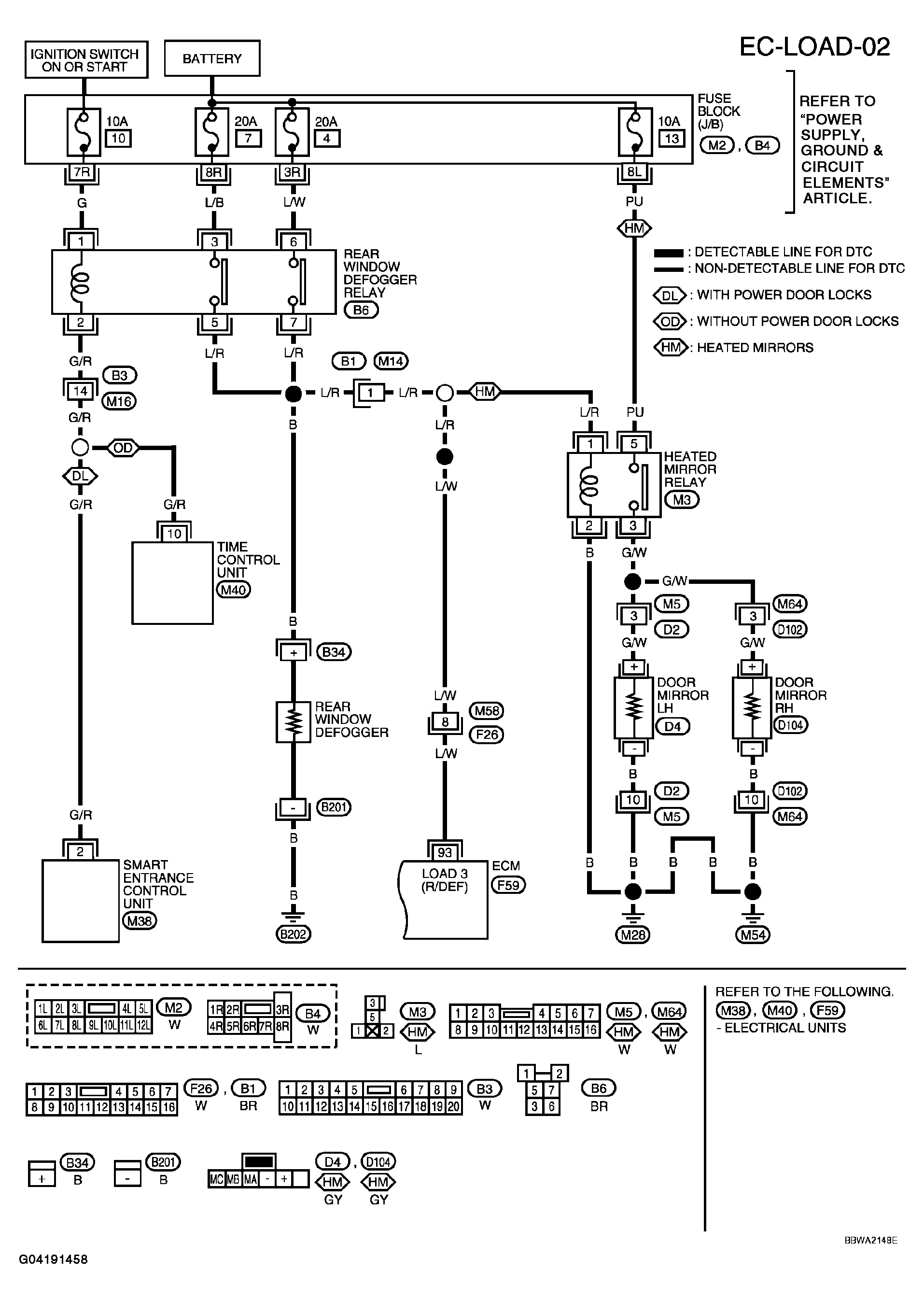
Fig 2: Identifying Wiring Diagram (EC-LOAD-02)
G04191458Courtesy of NISSAN MOTOR CO., U.S.A.

Specification data are reference values and are measured between each terminal and ground.

CAUTION: Do not use ECM ground terminals when measuring input/output voltage. Doing so may result in damage to the ECM's transistor. Use a ground other than ECM terminals, such as the ground.
TERMINALS VOLTAGE REFERENCE

TERMINAL NO. WIRE COLOR ITEM CONDITION DATA (DC Voltage)
93 L/W Electrical load signal (Rear window defogger signal) [Ignition switch: ON] 
  • Rear window defogger switch: ON
BATTERY VOLTAGE (11 - 14V)
[Ignition switch: ON] 
  • Rear window defogger switch: OFF
Approximately 0V