LEMON Manuals: Even more car manuals for everyone
Home >> Nissan-Datsun >> 2005 >> Sentra SE-R >> Repair and Diagnosis >> Engine Performance >> System >> Engine Control System - Introduction (Qr25DE) >> Engine Control System >> System Diagram >> A/T Models ULEV And M/T Models

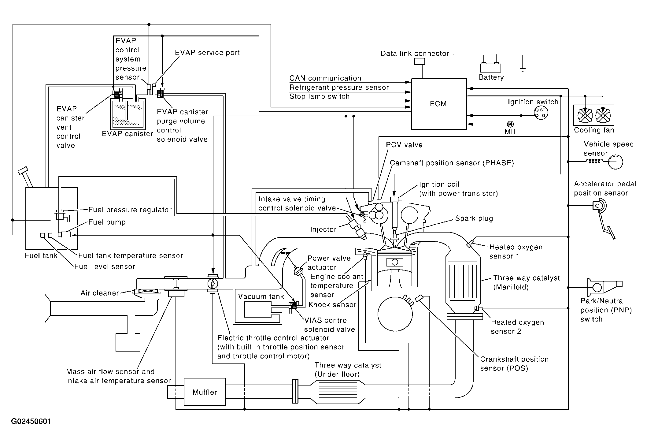
A/T Models ULEV And M/T Models

Fig 1: Engine Control System Diagram - 2.5L (A/T Models ULEV And M/T Models)
G02450601Courtesy of NISSAN MOTOR CO., U.S.A.