LEMON Manuals: Even more car manuals for everyone
Home >> Nissan-Datsun >> 2005 >> Sentra SE-R >> Repair and Diagnosis >> Engine Performance >> System >> Engine Control System - Component Testing (Qr25DE) >> Injector Circuit >> Wiring Diagram

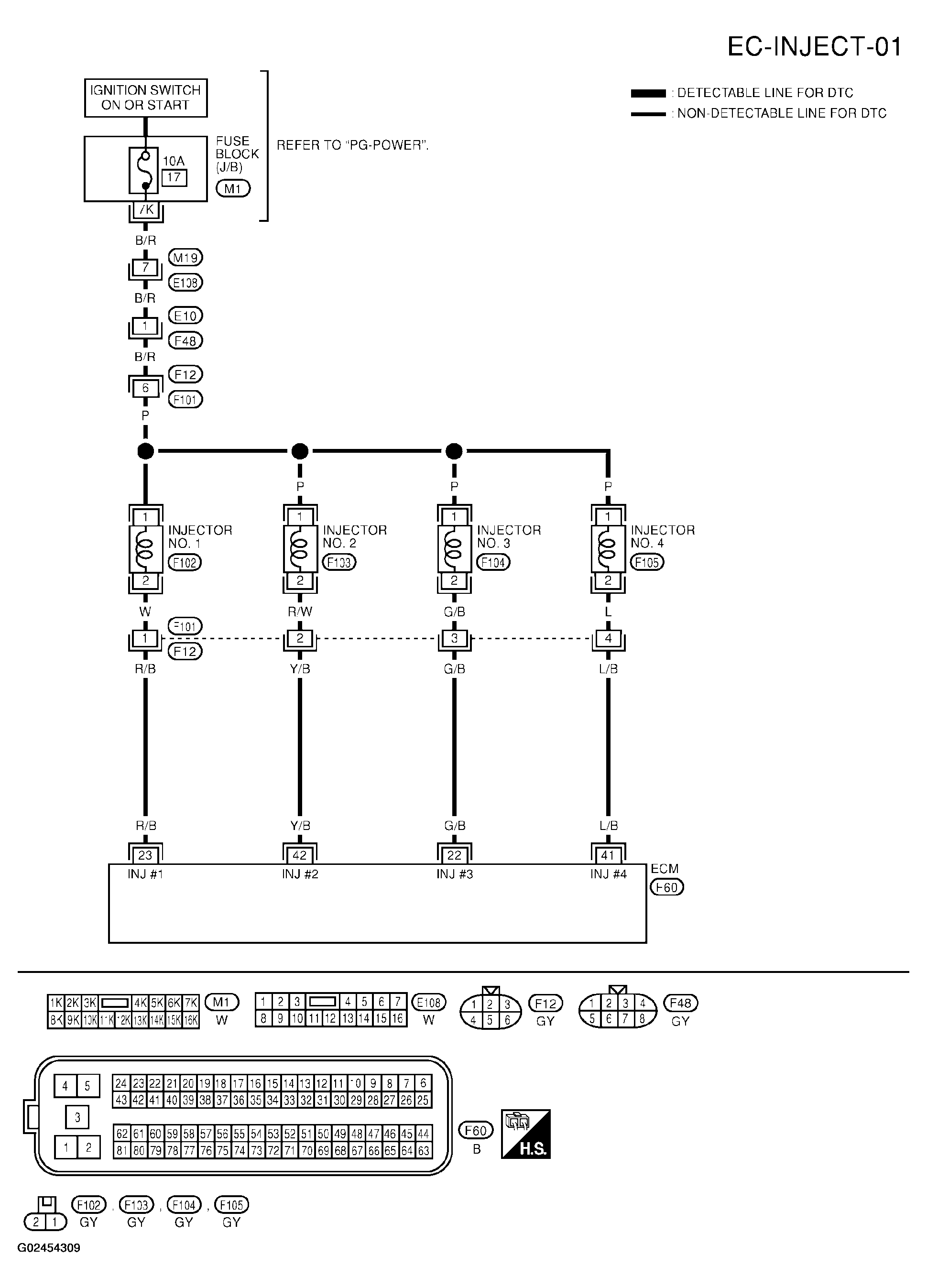
Injector Circuit: Wiring Diagram

Fig 1: Wiring Diagram - Fuel Injectors (EC-INJECT-01)
G02454309Courtesy of NISSAN MOTOR CO., U.S.A.

Specification data are reference values and are measured between each terminal and ground.

Pulse signal is measured by CONSULT-II.

CAUTION: Do not use ECM ground terminals when measuring input/output voltage. Doing so may result in damage to the ECM's transistor. Use a ground other than ECM terminals, such as the ground.
Fig 2: ECM Terminal Values Chart - Fuel Injector Circuits
G02454310Courtesy of NISSAN MOTOR CO., U.S.A.