LEMON Manuals: Even more car manuals for everyone
Home >> Nissan-Datsun >> 2005 >> Sentra SE-R >> Repair and Diagnosis >> Engine Performance >> System >> Engine Control System - Component Testing (Qr25DE) >> Ignition Signal >> Wiring Diagram

Ignition Signal: Wiring Diagram

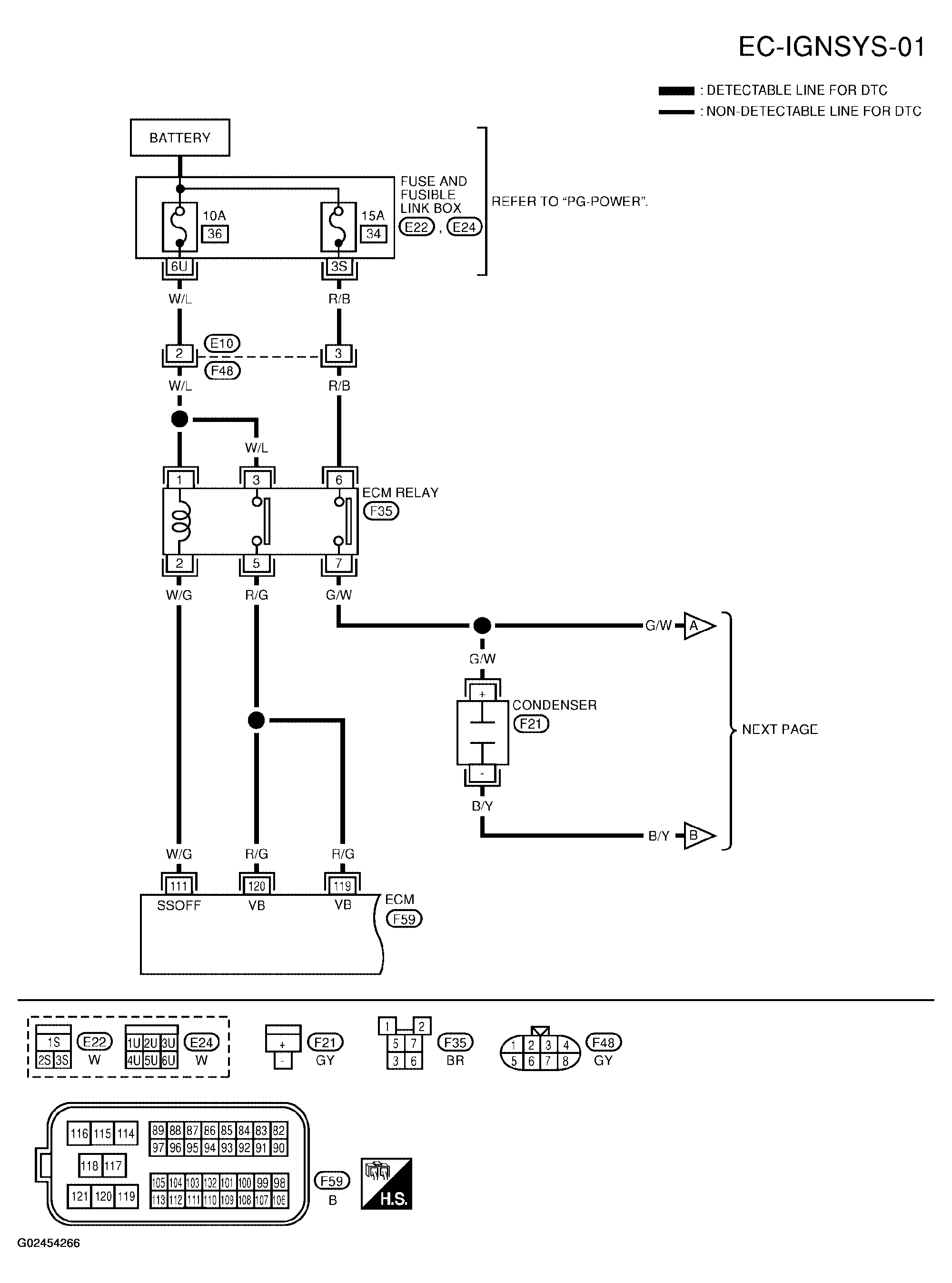
Fig 1: Wiring Diagram - Ignition System, ECM Relay (EC-IGNSYS-01)
G02454266Courtesy of NISSAN MOTOR CO., U.S.A.

Specification data are reference values and are measured between each terminal and ground.

CAUTION: Do not use ECM ground terminals when measuring input/output voltage. Doing so may result in damage to the ECM's transistor. Use a ground other than ECM terminals, such as the ground.
Fig 2: ECM Terminal Values Chart - Ignition System, ECM Relay Circuits
G02454267Courtesy of NISSAN MOTOR CO., U.S.A.
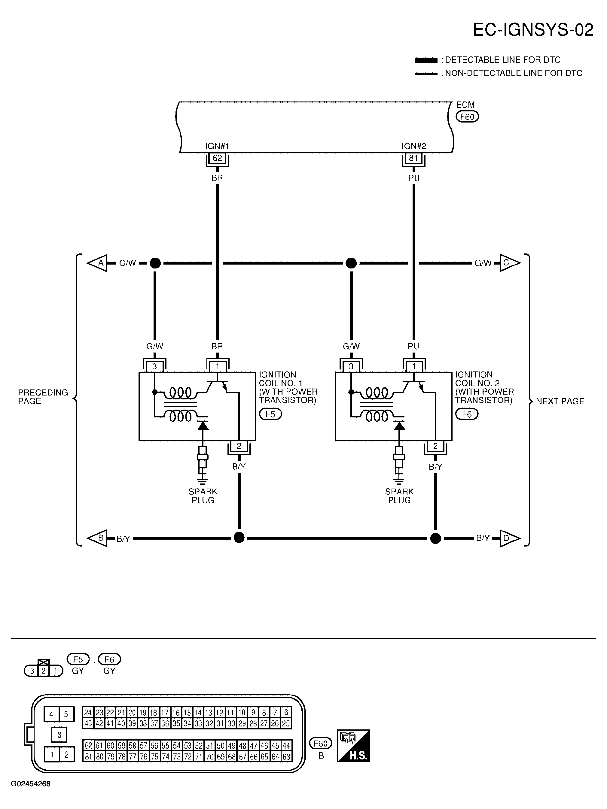
Fig 3: Wiring Diagram - Ignition System, Ignition Coils 1 & 2 (EC-IGNSYS-02)
G02454268Courtesy of NISSAN MOTOR CO., U.S.A.

Specification data are reference values and are measured between each terminal and ground.

CAUTION: Do not use ECM ground terminals when measuring input/output voltage. Doing so may result in damage to the ECM's transistor. Use a ground other than ECM terminals, such as the ground.
Fig 4: ECM Terminals Voltage Chart - Ignition Signal Nos. 1 & 2
G02454269Courtesy of NISSAN MOTOR CO., U.S.A.
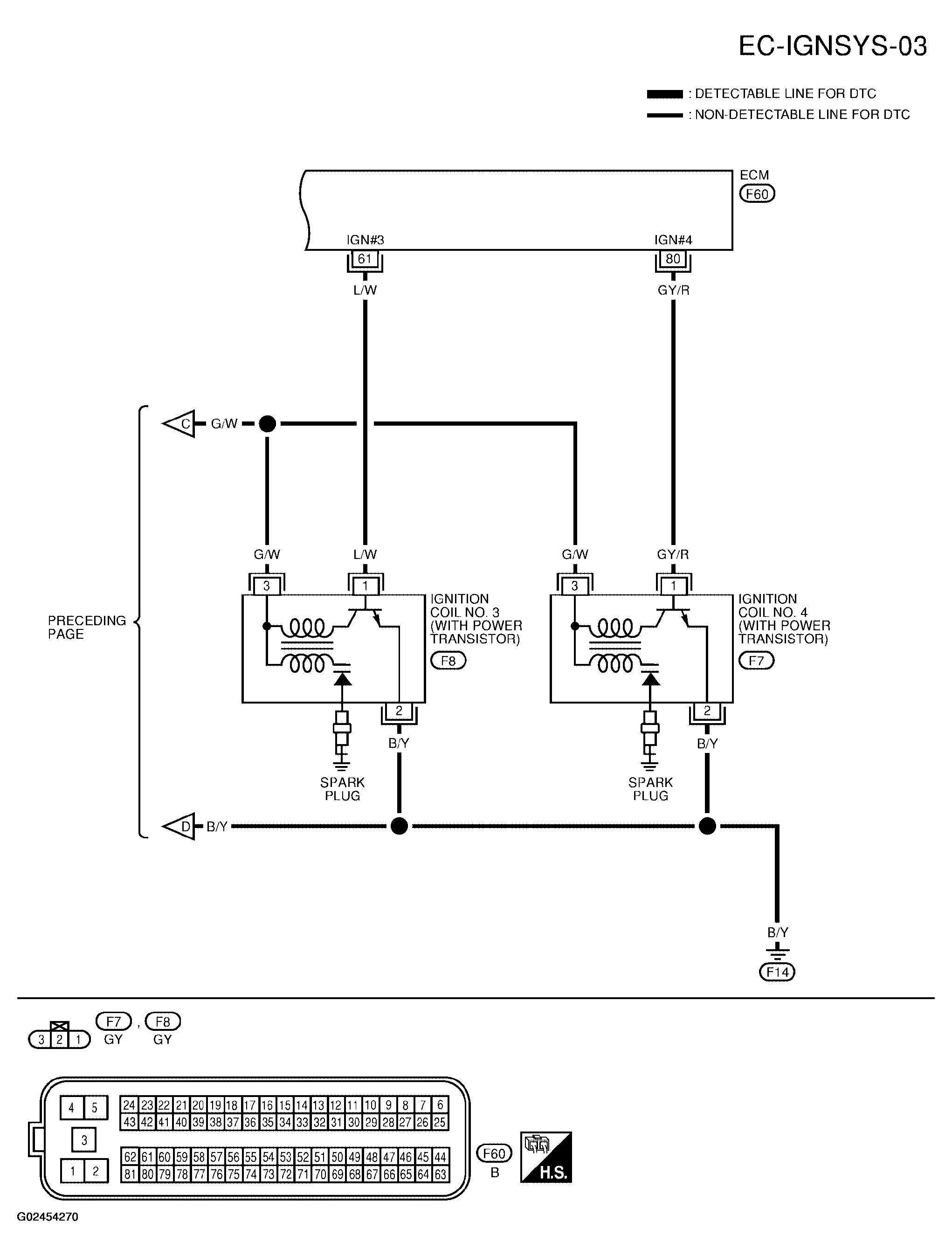
Fig 5: Wiring Diagram - Ignition System, Ignition Coils 3 & 4 (EC-IGNSYS-03)
G02454270Courtesy of NISSAN MOTOR CO., U.S.A.

Specification data are reference values and are measured between each terminal and ground. Pulse signal is measured by CONSULT-II.

CAUTION: Do not use ECM ground terminals when measuring input/output voltage. Doing so may result in damage to the ECM's transistor. Use a ground other than ECM terminals, such as the ground.
Fig 6: ECM Terminals Voltage Chart - Ignition Signal Nos. 3 & 4
G02454271Courtesy of NISSAN MOTOR CO., U.S.A.