LEMON Manuals: Even more car manuals for everyone
Home >> Nissan-Datsun >> 2005 >> Sentra SE-R >> Repair and Diagnosis (Single Page) >> Engine Performance >> System >> Engine Control System - DTCS U1000 To P0335 (Qr25DE) >> DTC P0172: Fuel Injection System Function >> Wiring Diagram >> A/T Models ULEV And M/T Models

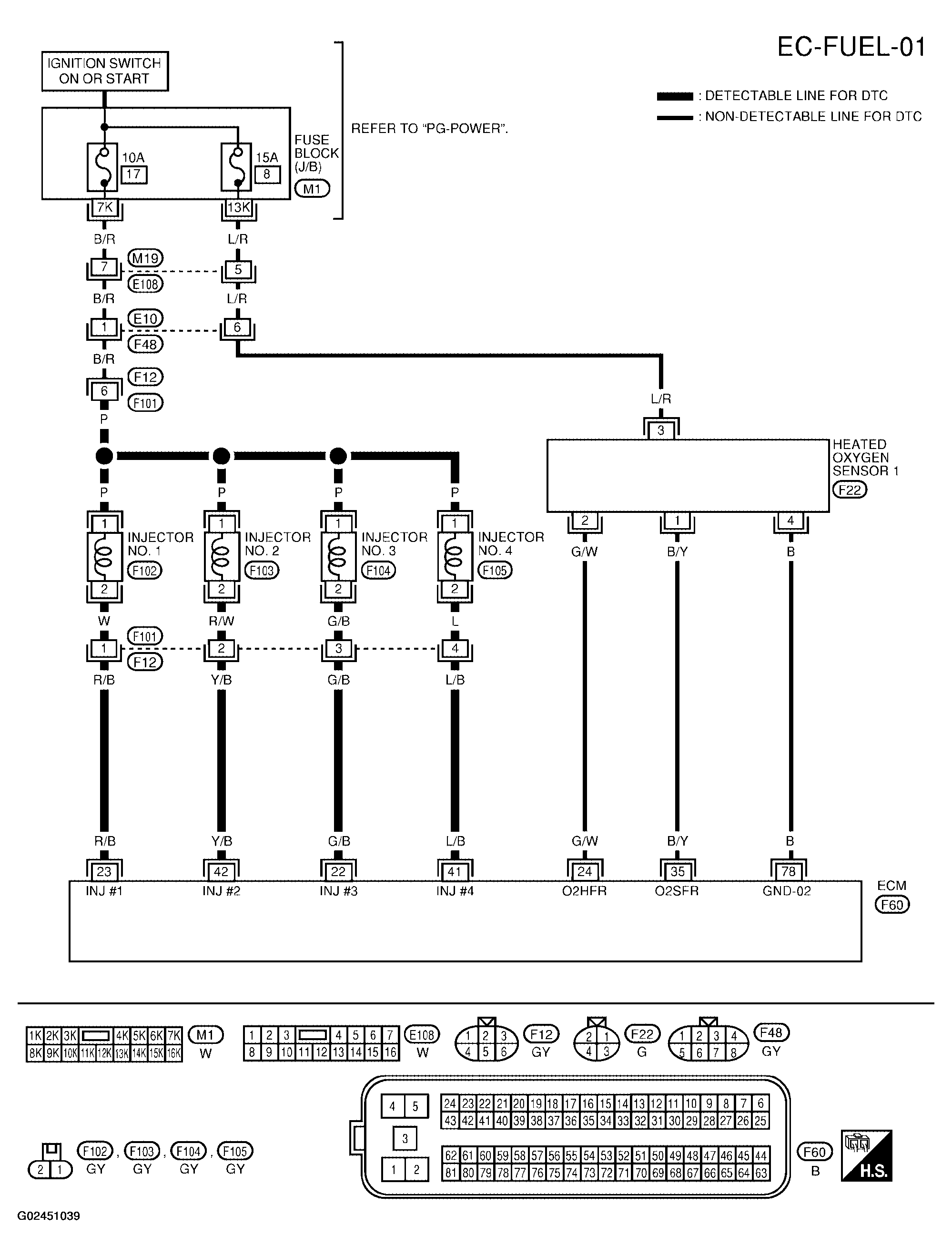
A/T Models ULEV And M/T Models

Fig 1: Wiring Diagram - Fuel Injection System, A/T Models ULEV And M/T Models (EC-FUEL-01)
G02451039Courtesy of NISSAN MOTOR CO., U.S.A.