LEMON Manuals: Even more car manuals for everyone
Home >> Nissan-Datsun >> 2005 >> Sentra SE-R Spec V >> Repair and Diagnosis >> Engine Performance >> System >> Engine Control System - Introduction (Qr25DE) >> Trouble Diagnosis >> Circuit Diagram >> A/T Models ULEV And M/T Models

A/T Models ULEV And M/T Models

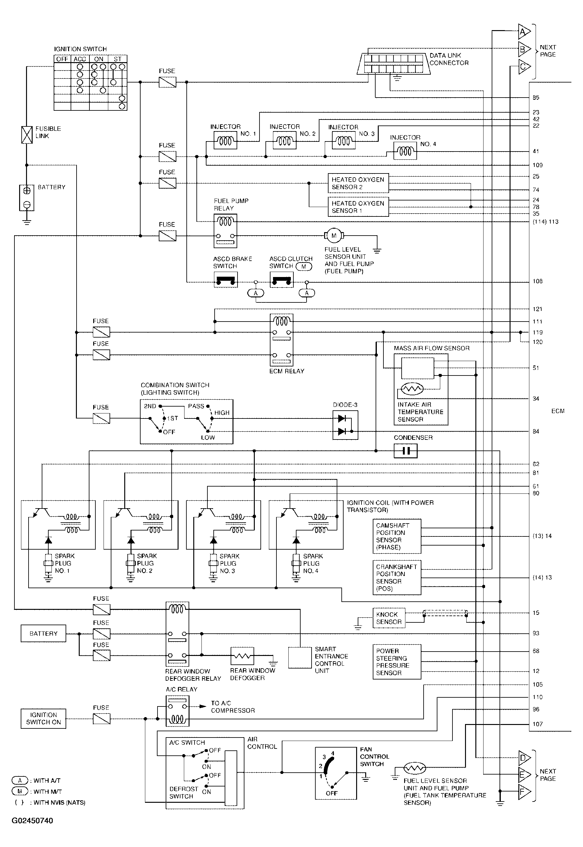
Fig 1: Engine Control System Circuit Diagram - A/T Models ULEV And M/T Models (1 Of 2)
G02450740Courtesy of NISSAN MOTOR CO., U.S.A.
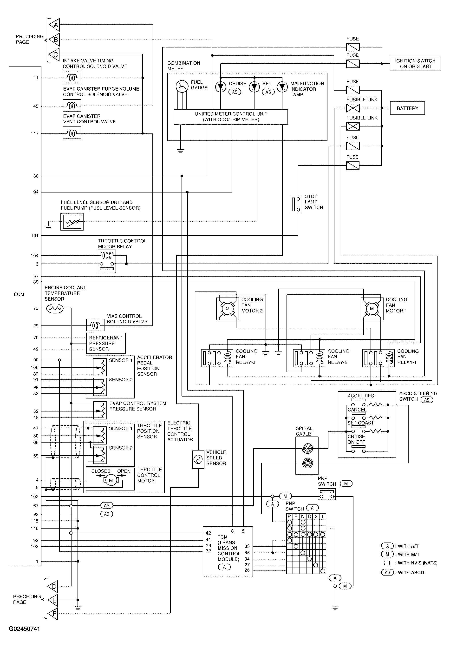
Fig 2: Engine Control System Circuit Diagram - A/T Models ULEV And M/T Models (2 Of 2)
G02450741Courtesy of NISSAN MOTOR CO., U.S.A.