LEMON Manuals: Even more car manuals for everyone
Home >> Nissan-Datsun >> 2005 >> Sentra SE-R Spec V >> Repair and Diagnosis >> Engine Performance >> System >> Engine Control System - Component Testing (Qr25DE) >> Mil And Data Link Connector >> Wiring Diagram

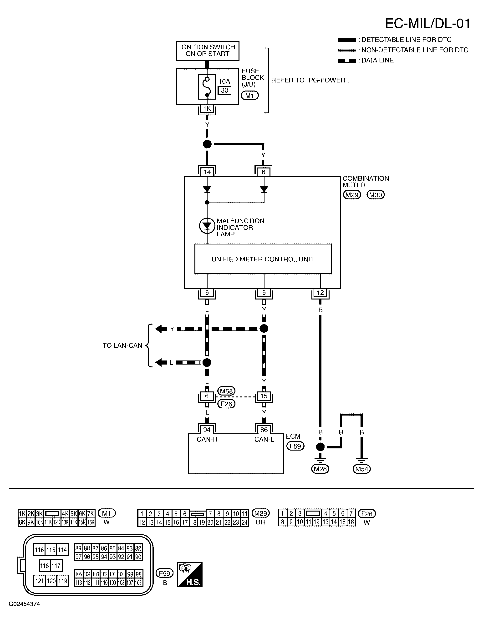
Mil And Data Link Connector: Wiring Diagram

Fig 1: Wiring Diagram - MIL And Data Link Connector (EC-MIL/CD-01)
G02454374Courtesy of NISSAN MOTOR CO., U.S.A.
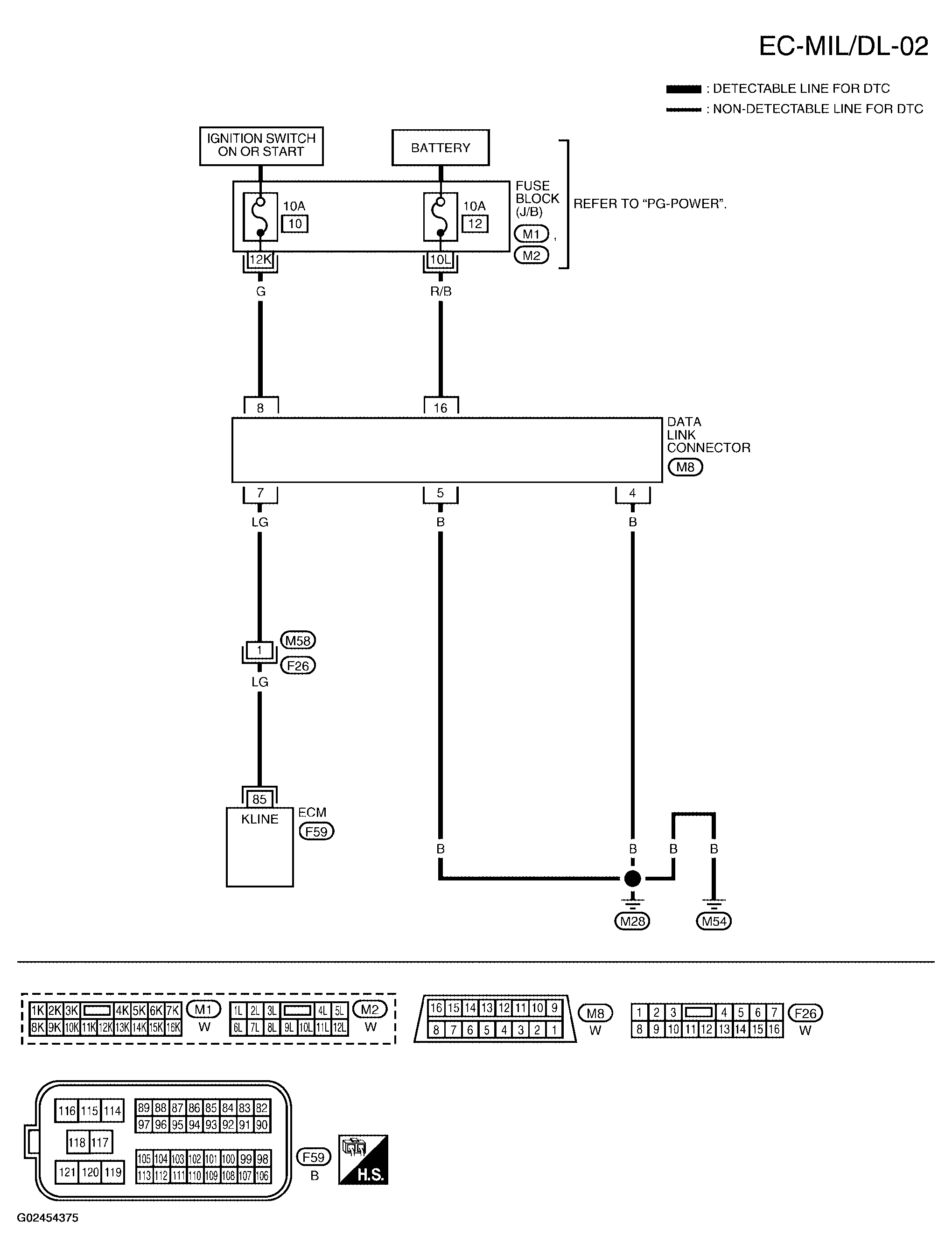
Fig 2: Wiring Diagram - MIL And Data Link Connector (EC-MIL/CD-02)
G02454375Courtesy of NISSAN MOTOR CO., U.S.A.