LEMON Manuals: Even more car manuals for everyone
Home >> Nissan-Datsun >> 2004 >> Sentra SE-R >> Repair and Diagnosis >> External Pages >> Different car >> Section 766 (Navigation System) >> Navigation System >> Schematic - Comm

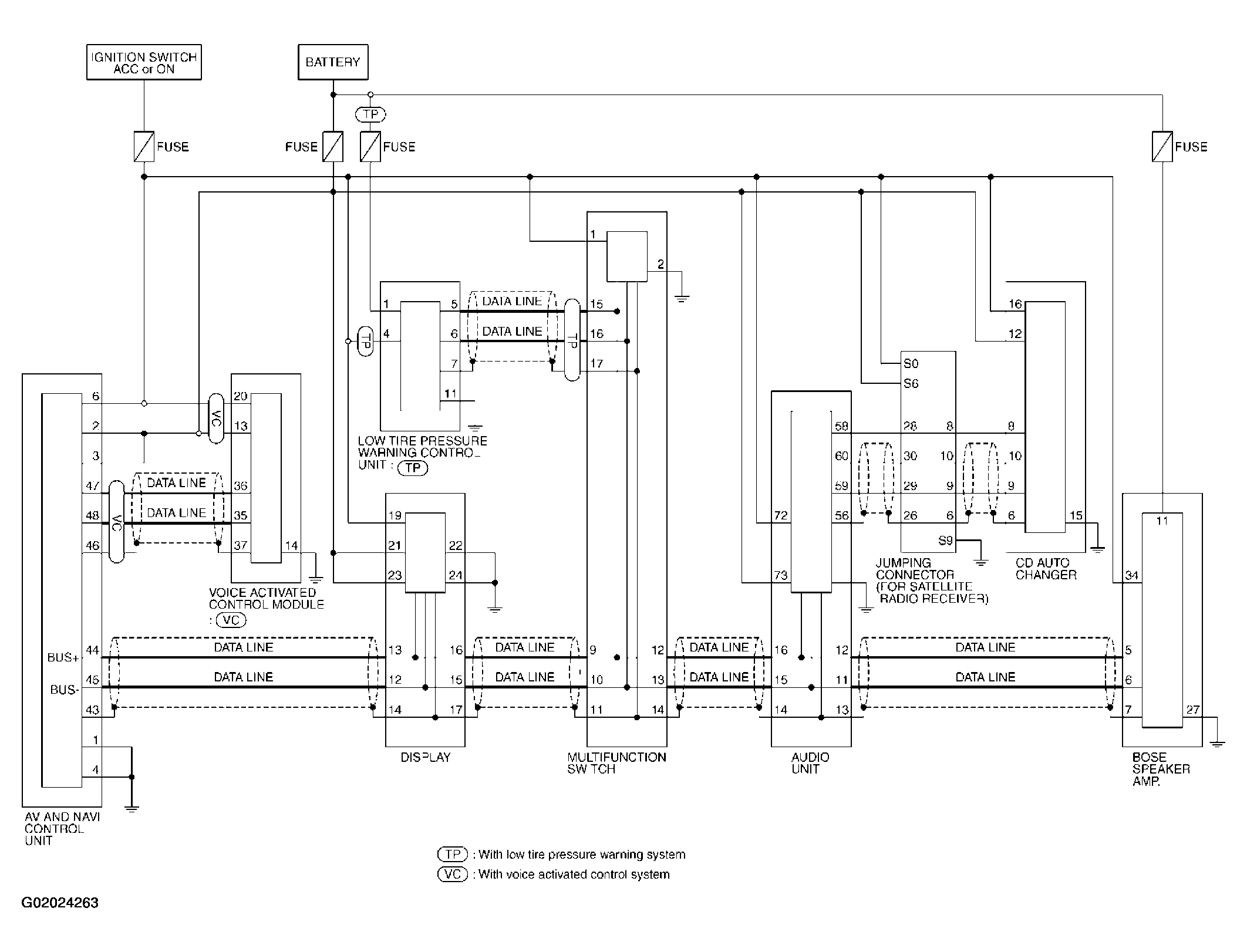
Schematic - Comm

WARNING: This page is about a different car, the 2003 Infiniti M45. However, it is still accessible from the selected car via links, so may be relevant.
Fig 1: Navigation System Communication Schematic Diagram
G02024263Courtesy of NISSAN MOTOR CO., U.S.A.