LEMON Manuals: Even more car manuals for everyone
Home >> Nissan-Datsun >> 2004 >> Sentra SE-R >> Repair and Diagnosis >> External Pages >> Different car >> Section 560 (Body Control Module - Sedan) >> BCM (Body Control Module) >> Schematic

BCM (Body Control Module): Schematic

WARNING: This page is about a different car, the 2005 Infiniti G35. However, it is still accessible from the selected car via links, so may be relevant.
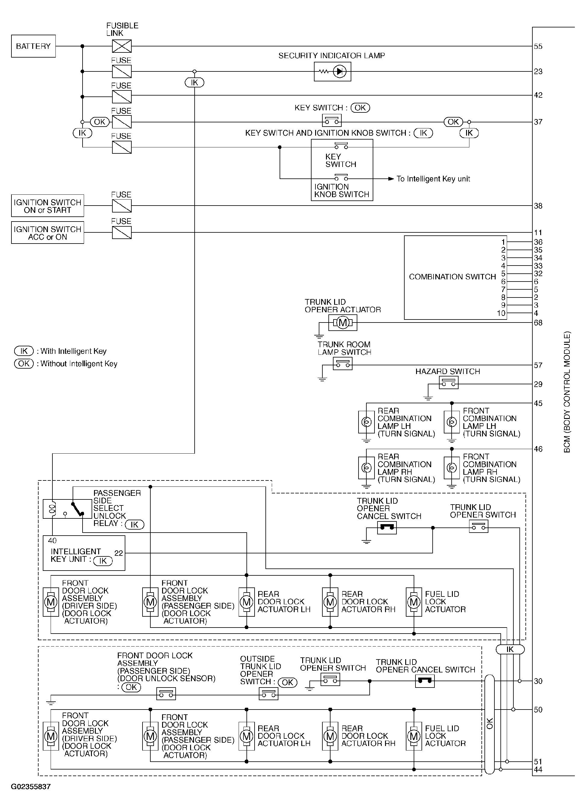
Fig 1: BCM Schematic (1 Of 2)
G02355837Courtesy of NISSAN MOTOR CO., U.S.A.
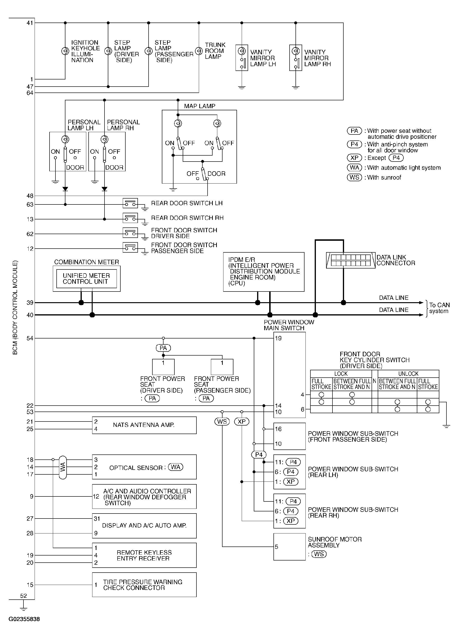
Fig 2: BCM Schematic (2 Of 2)
G02355838Courtesy of NISSAN MOTOR CO., U.S.A.