LEMON Manuals: Even more car manuals for everyone
Home >> Nissan-Datsun >> 2004 >> Sentra SE-R >> Repair and Diagnosis >> External Pages >> Different car >> Section 2312 (Engine Control System - Component And System Testing) >> Ignition Signal >> Wiring Diagram

Ignition Signal: Wiring Diagram

WARNING: This page is about a different car, the 2006 Nissan Xterra. However, it is still accessible from the selected car via links, so may be relevant.

For PG Power or Section, go to SYSTEM WIRING DIAGRAMS .

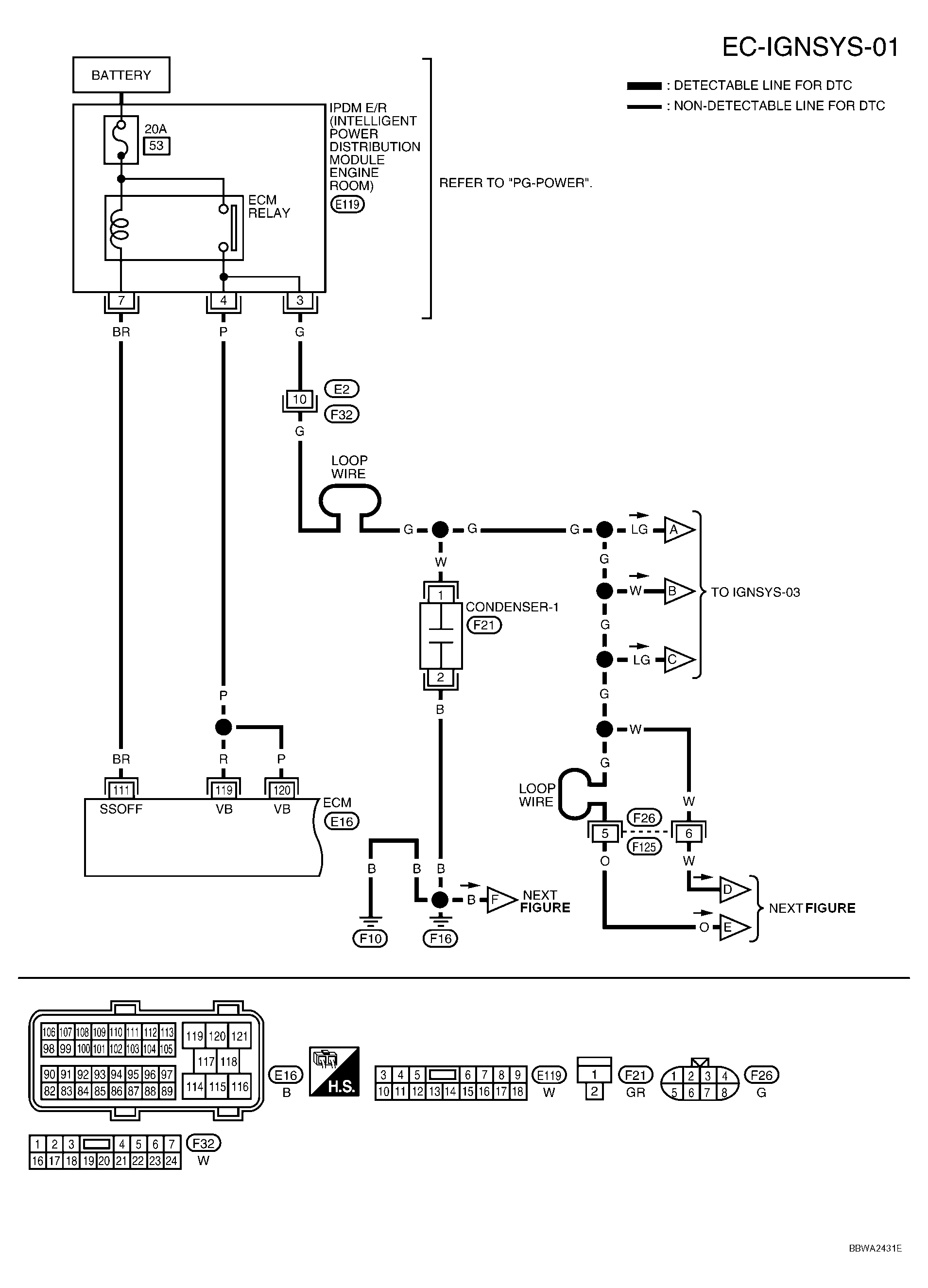
Fig 1: EC-IGNSYS-01 - Wiring Diagram
G04203311Courtesy of NISSAN MOTOR CO., U.S.A.

Specification data are reference values and are measured between each terminal and ground.

CAUTION: Do not use ECM ground terminals when measuring input/output voltage. Doing so may result in damage to the ECM's transistor. Use a ground other than ECM terminals, such as the ground.
ECM GROUND TERMINALS INPUT/OUTPUT VOLTAGE REFERENCE

TERMINAL NO. WIRE COLOR ITEM CONDITION DATA (DC Voltage)
111 BR ECM relay
(Self shut-off)
[Engine is running] 
[Ignition switch: OFF] 
  • For a few seconds after turning ignition switch OFF
0-1.5V
[Ignition switch: OFF] 
  • More than a few seconds passed after turning ignition switch OFF
BATTERY VOLTAGE (11 -14V)
119 120 R P Power supply for ECM [Ignition switch: ON]  BATTERY VOLTAGE (11 -14V)

For PG Power or Section, go to SYSTEM WIRING DIAGRAMS .

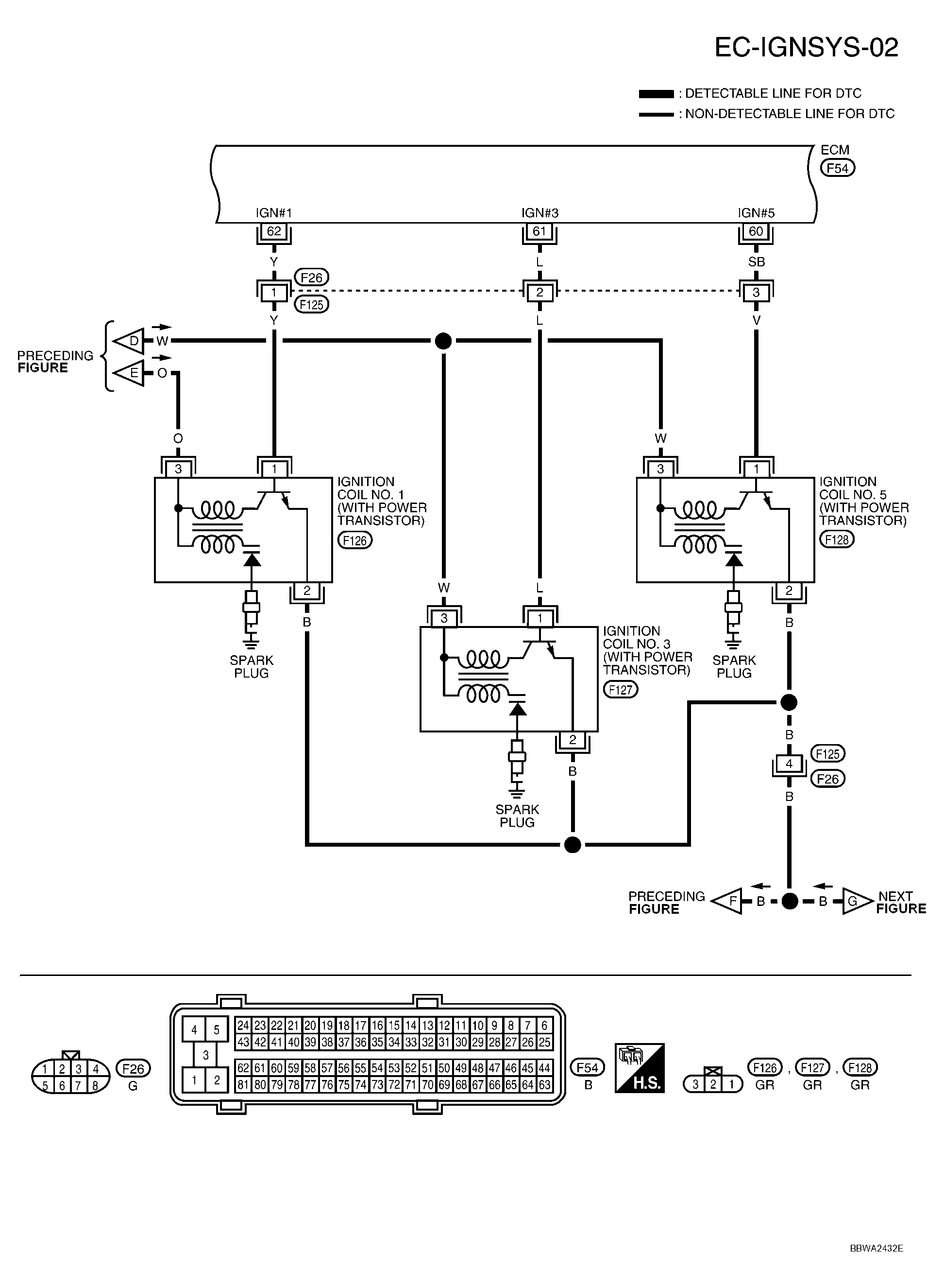
Fig 2: EC-IGNSYS-02 - Wiring Diagram
G04203312Courtesy of NISSAN MOTOR CO., U.S.A.

Specification data are reference values and are measured between each terminal and ground. Pulse signal is measured by CONSULT-II.

CAUTION: Do not use ECM ground terminals when measuring input/output voltage. Doing so may result in damage to the ECM's transistor. Use a ground other than ECM terminals, such as the ground.
ECM GROUND TERMINALS INPUT/OUTPUT VOLTAGE REFERENCE

TERMINAL NO. WIRE COLOR ITEM CONDITION DATA (DC Voltage)
60
61
62
SB
L
Y
Ignition signal No. 5
Ignition signal No. 3
Ignition signal No. 1
[Engine is running] 
  • Warm-up condition 
  • Idle speed
NOTE: The pulse cycle changes depending on RPM at idle
0 - 0.2V(1)
G04073752Courtesy of NISSAN MOTOR CO., U.S.A.
[Engine is running] 
  • Warm-up condition 
  • Engine speed: 2, 500 RPM
0.1 -0.4V(1)
G04160879Courtesy of NISSAN MOTOR CO., U.S.A.
(1) Average voltage for pulse signal (Actual pulse signal can be confirmed by oscilloscope.)

For PG Power or Section, go to SYSTEM WIRING DIAGRAMS .

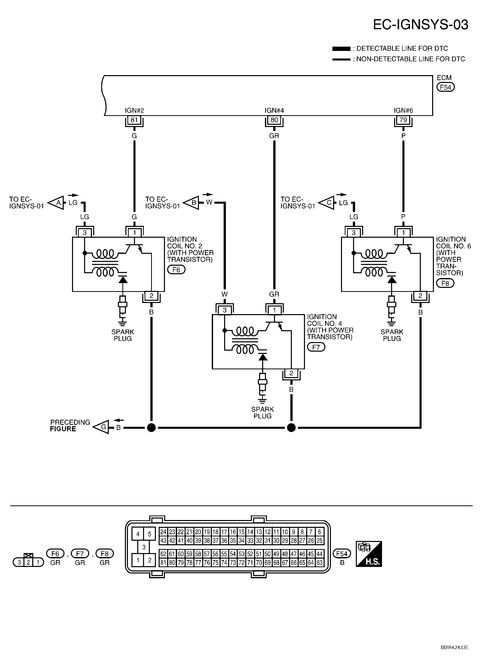
Fig 3: EC-IGNSYS-03 - Wiring Diagram
G04203315Courtesy of NISSAN MOTOR CO., U.S.A.

Specification data are reference values and are measured between each terminal and ground. Pulse signal is measured by CONSULT-II.

CAUTION: Do not use ECM ground terminals when measuring input/output voltage. Doing so may result in damage to the ECM's transistor. Use a ground other than ECM terminals, such as the ground.
ECM GROUND TERMINALS INPUT/OUTPUT VOLTAGE REFERENCE

TERMINAL NO. WIRE COLOR ITEM CONDITION DATA (DC Voltage)
79
80
81
P
GR
G
Ignition signal No. 6
Ignition signal No. 4
Ignition signal No. 2
[Engine is running] 
  • Warm-up condition 
  • Idle speed
NOTE: The pulse cycle changes depending on RPM at idle
0 - 0.2V(1)
G04073752Courtesy of NISSAN MOTOR CO., U.S.A.
[Engine is running] 
  • Warm-up condition 
  • Engine speed: 2, 500 RPM
0.1 -0.4V(1)
G04160879Courtesy of NISSAN MOTOR CO., U.S.A.
(1) Average voltage for pulse signal (Actual pulse signal can be confirmed by oscilloscope.)