LEMON Manuals: Even more car manuals for everyone
Home >> Nissan-Datsun >> 2004 >> Sentra SE-R >> Repair and Diagnosis >> External Pages >> Different car >> Section 2270 (Engine Control System - System And Component Testing) >> Mil And Data Link Connector >> Wiring Diagram

Mil And Data Link Connector: Wiring Diagram

WARNING: This page is about a different car, the 2005 Nissan Xterra. However, it is still accessible from the selected car via links, so may be relevant.
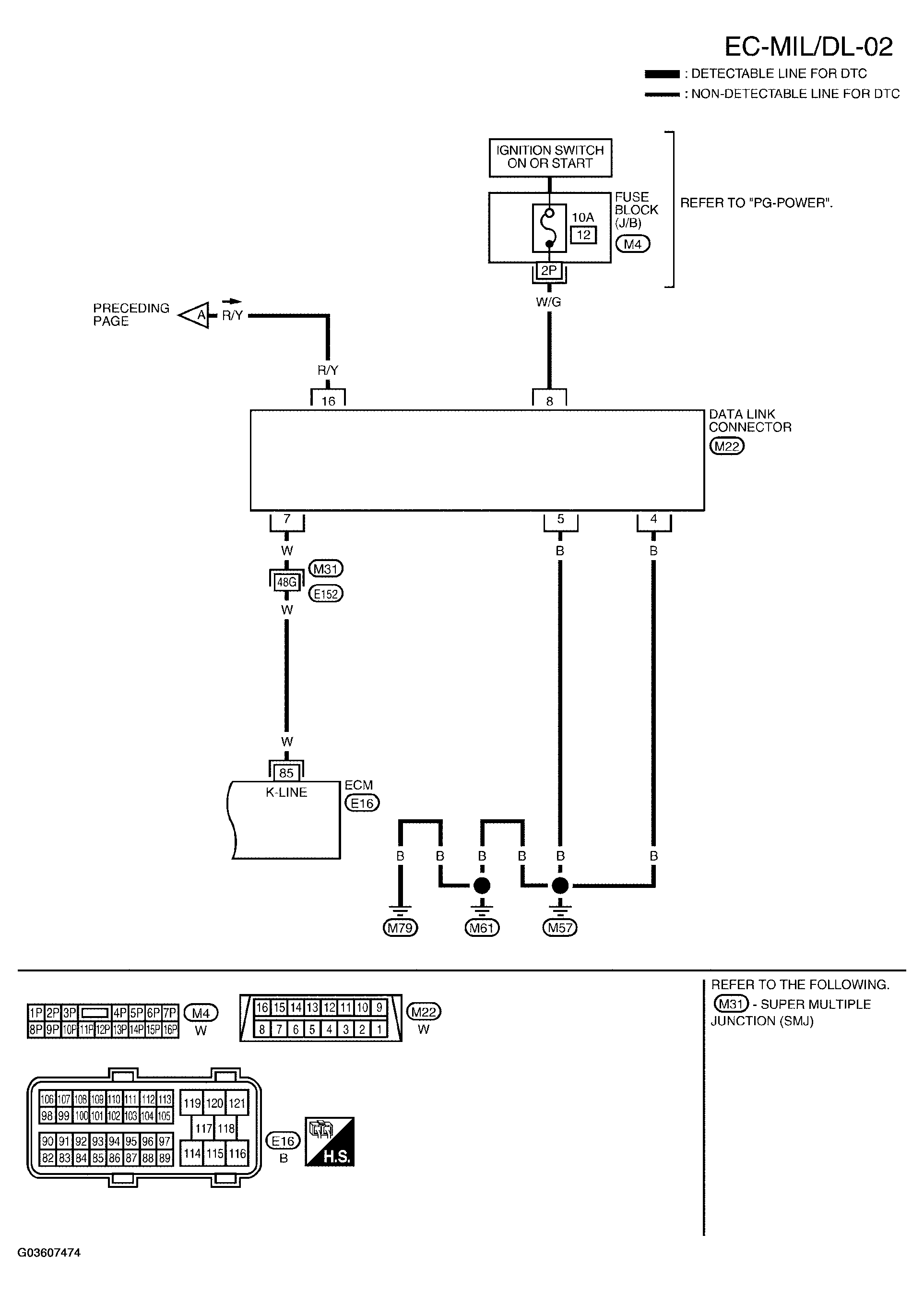
Fig 1: Wiring Diagram - EC-MIL/DL-01
G03607473Courtesy of NISSAN MOTOR CO., U.S.A.
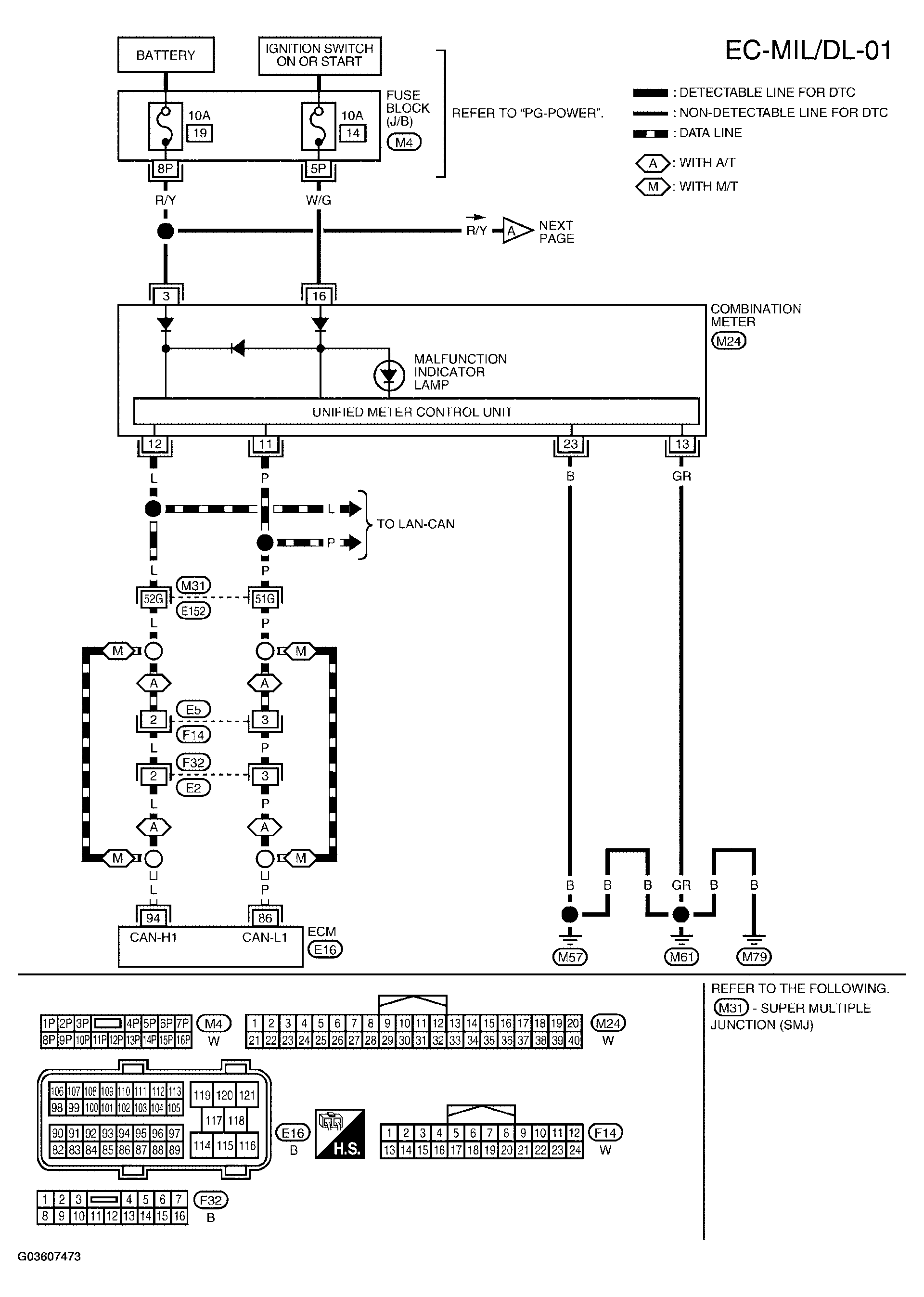
Fig 2: Wiring Diagram - EC-MIL/DL-02
G03607474Courtesy of NISSAN MOTOR CO., U.S.A.