LEMON Manuals: Even more car manuals for everyone
Home >> Nissan-Datsun >> 2004 >> Sentra SE-R >> Repair and Diagnosis >> External Pages >> Different car >> Section 2270 (Engine Control System - System And Component Testing) >> Ignition Signal >> Wiring Diagram

Ignition Signal: Wiring Diagram

WARNING: This page is about a different car, the 2005 Nissan Xterra. However, it is still accessible from the selected car via links, so may be relevant.
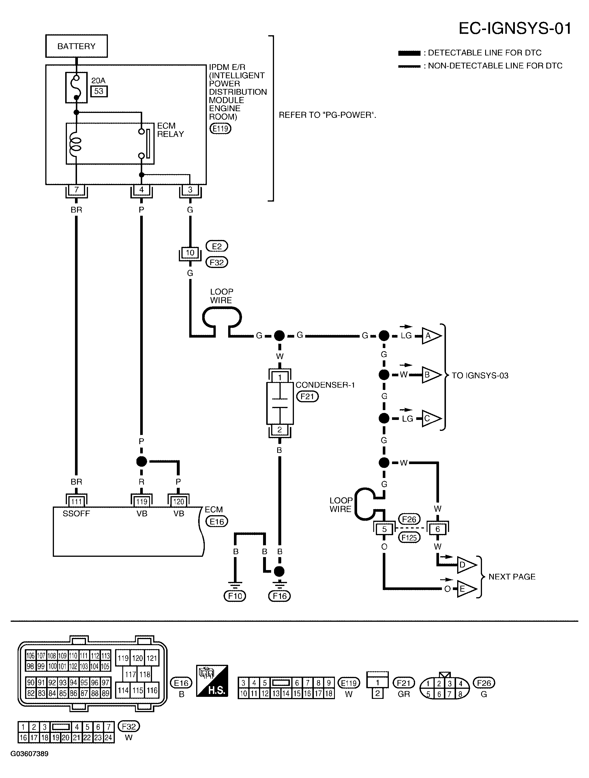
Fig 1: Wiring Diagram - EC-IGNSYS-01
G03607389Courtesy of NISSAN MOTOR CO., U.S.A.

Specification data are reference values and are measured between each terminal and ground.

CAUTION: Do not use ECM ground terminals when measuring input/output voltage. Doing so may result in damage to the ECM's transistor. Use a ground other than ECM terminals, such as the ground.
ON BOARD DIAGNOSTIC LOGIC

TERMINAL NO. WIRE COLOR ITEM CONDITION DATA (DC Voltage)
111 BR ECM relay (Self shut-off) [Engine is running] [Ignition switch: OFF] 
  • For a few seconds after turning ignition switch OFF
0 - 1.5V
[Ignition switch: OFF] 
  • More than a few seconds passed after turning ignition switch OFF
BATTERY VOLTAGE (11 - 14V)
119
120
R
P
Power supply for ECM [Ignition switch: ON]  BATTERY VOLTAGE (11 - 14V)
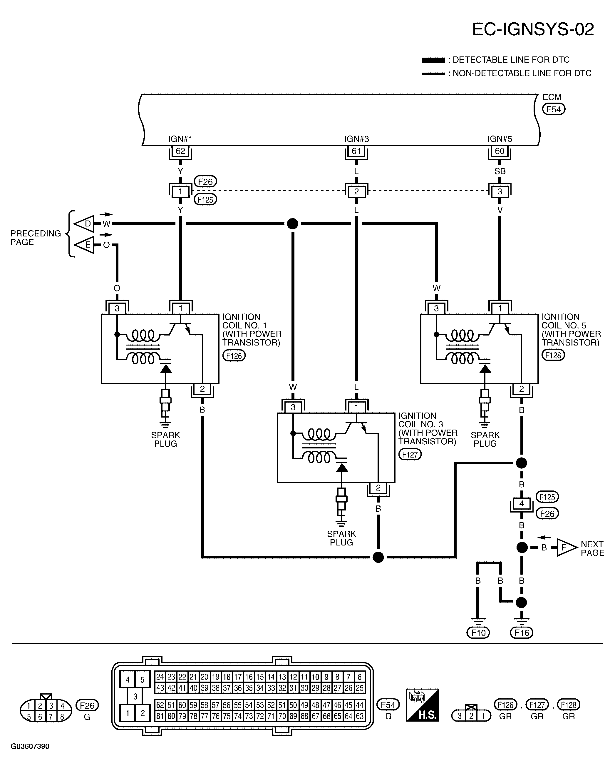
Fig 2: Wiring Diagram - EC-IGNSYS-02
G03607390Courtesy of NISSAN MOTOR CO., U.S.A.

Specification data are reference values and are measured between each terminal and ground.

Pulse signal is measured by CONSULT-II.

CAUTION: Do not use ECM ground terminals when measuring input/output voltage. Doing so may result in damage to the ECM's transistor. Use a ground other than ECM terminals, such as the ground.
Fig 3: Pulse Signal Table
G03607391Courtesy of NISSAN MOTOR CO., U.S.A.
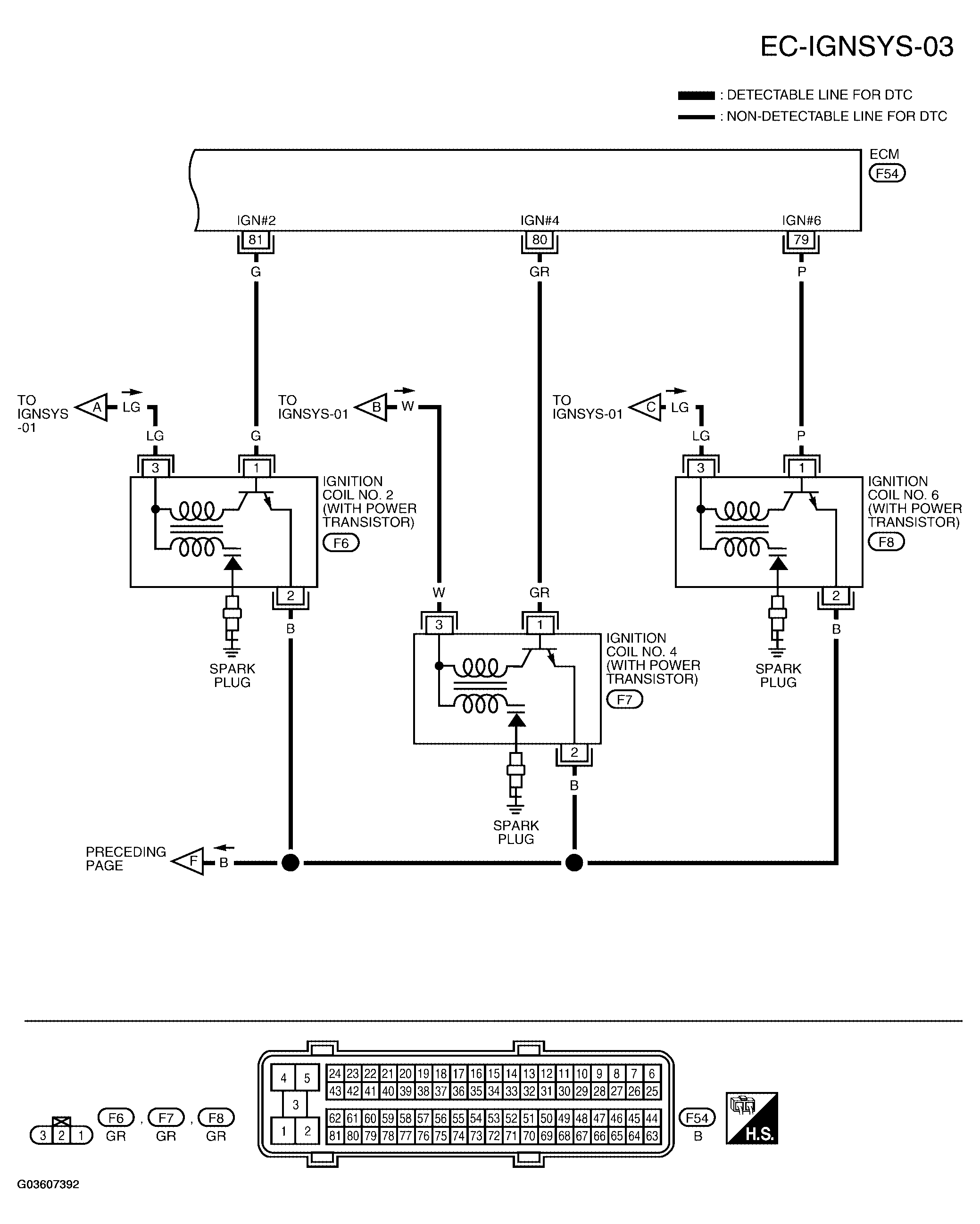
Fig 4: Wiring Diagram - EC-IGNSYS-03
G03607392Courtesy of NISSAN MOTOR CO., U.S.A.

Specification data are reference values and are measured between each terminal and ground.

Pulse signal is measured by CONSULT-II.

CAUTION: Do not use ECM ground terminals when measuring input/output voltage. Doing so may result in damage to the ECM's transistor. Use a ground other than ECM terminals, such as the ground.
Fig 5: Pulse Signal Table
G03607393Courtesy of NISSAN MOTOR CO., U.S.A.