LEMON Manuals: Even more car manuals for everyone
Home >> Nissan-Datsun >> 2004 >> Sentra SE-R >> Repair and Diagnosis >> External Pages >> Different car >> Section 2270 (Engine Control System - System And Component Testing) >> Fuel Pump Circuit >> Wiring Diagram

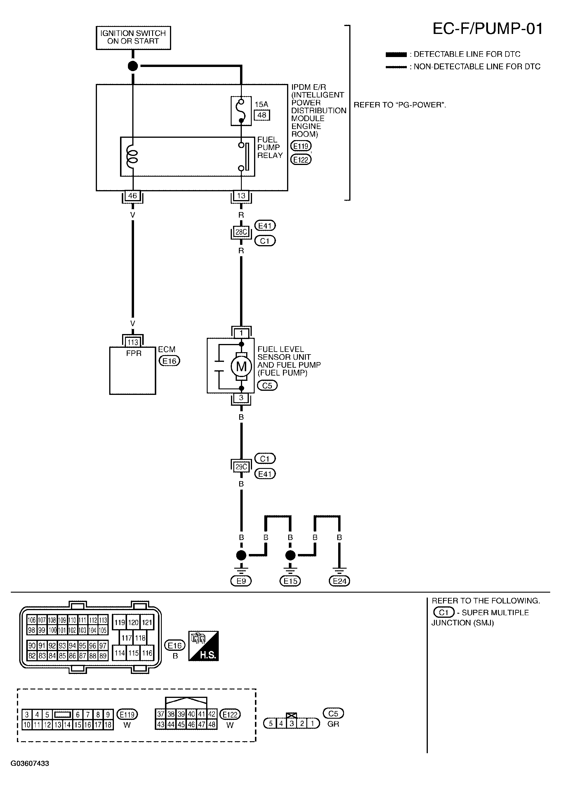
Fuel Pump Circuit: Wiring Diagram

WARNING: This page is about a different car, the 2005 Nissan Xterra. However, it is still accessible from the selected car via links, so may be relevant.
Fig 1: Wiring Diagram - EC-F/PUMP-01
G03607433Courtesy of NISSAN MOTOR CO., U.S.A.

Specification data are reference values and are measured between each terminal and ground.

CAUTION: Do not use ECM ground terminals when measuring input/output voltage. Doing so may result in damage to the ECM's transistor. Use a ground other than ECM terminals, such as the ground.
ON BOARD DIAGNOSTIC LOGIC

TERMINAL NO. WIRE COLOR ITEM CONDITION DATA (DC Voltage)
113 V Fuel pump relay [Ignition switch: ON] 
  • For 1 second after turning ignition switch ON
[Engine is running] 
0 - 1.5V
[Ignition switch: ON] 
  • More than 1 second after turning ignition switch ON
BATTERY VOLTAGE (11 - 14V)