LEMON Manuals: Even more car manuals for everyone
Home >> Nissan-Datsun >> 2004 >> Sentra SE-R >> Repair and Diagnosis >> External Pages >> Different car >> Section 2215 (Security Control System (Without Intelligent Key System)) >> Wiring Diagram >> Vehicle Security System >> Wiring Diagram

Vehicle Security System: Wiring Diagram

WARNING: This page is about a different car, the 2012 Nissan Pathfinder. However, it is still accessible from the selected car via links, so may be relevant.
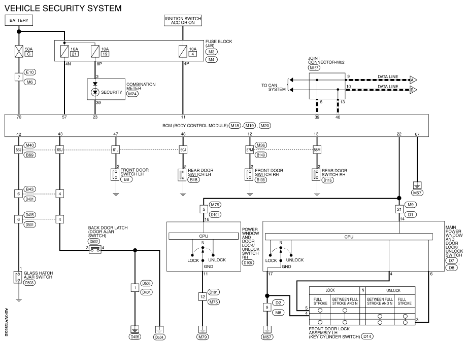
Fig 1: Vehicle Security System Wiring Diagram (1 Of 2)
G08168374Courtesy of NISSAN NORTH AMERICA, INC.
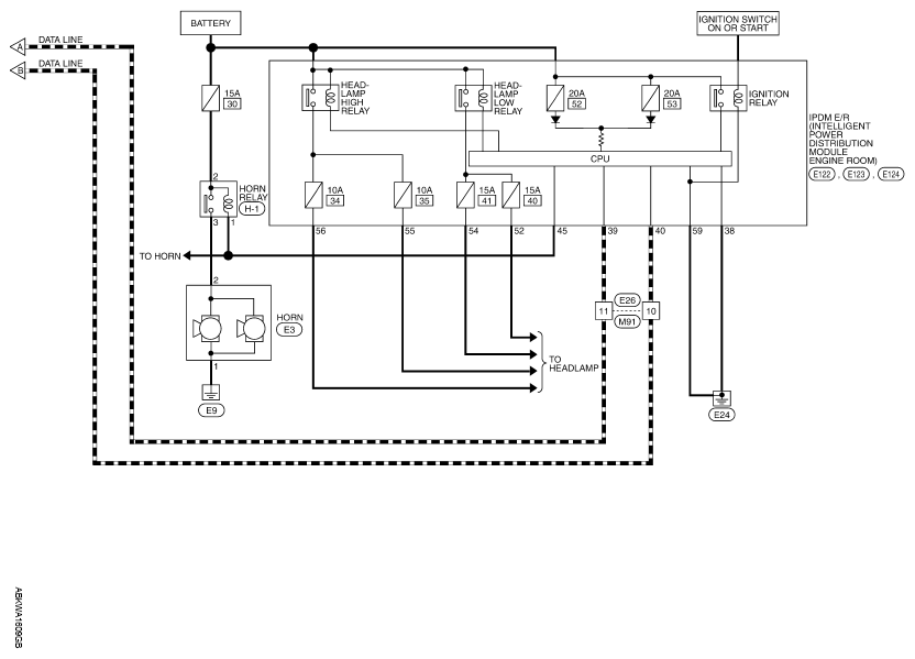
Fig 2: Vehicle Security System Wiring Diagram (2 Of 2)
G08168375Courtesy of NISSAN NORTH AMERICA, INC.