LEMON Manuals: Even more car manuals for everyone
Home >> Nissan-Datsun >> 2004 >> Sentra SE-R >> Repair and Diagnosis >> External Pages >> Different car >> Section 2017 (Body Control System) >> BCM (Body Control Module) >> Schematic

BCM (Body Control Module): Schematic

WARNING: This page is about a different car, the 2007 Nissan Pathfinder. However, it is still accessible from the selected car via links, so may be relevant.
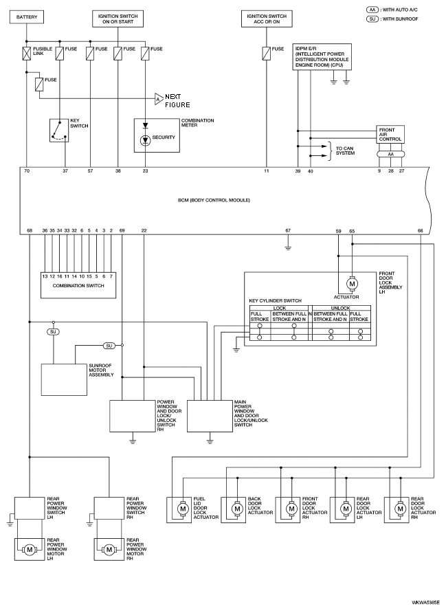
Fig 1: Identifying Body Control Module Schematic (1 Of 2)
G04914048
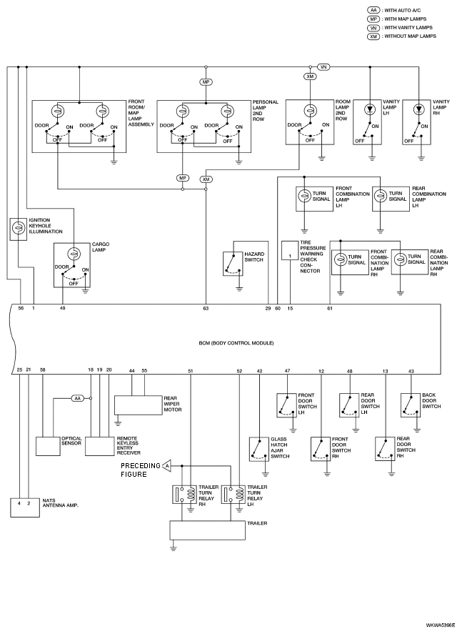
Fig 2: Identifying Body Control Module Schematic (2 Of 2)
G04914049