LEMON Manuals: Even more car manuals for everyone
Home >> Nissan-Datsun >> 2004 >> Sentra SE-R >> Repair and Diagnosis >> External Pages >> Different car >> Section 1616 (Body Control System) >> BCM (Body Control Module) >> Schematic

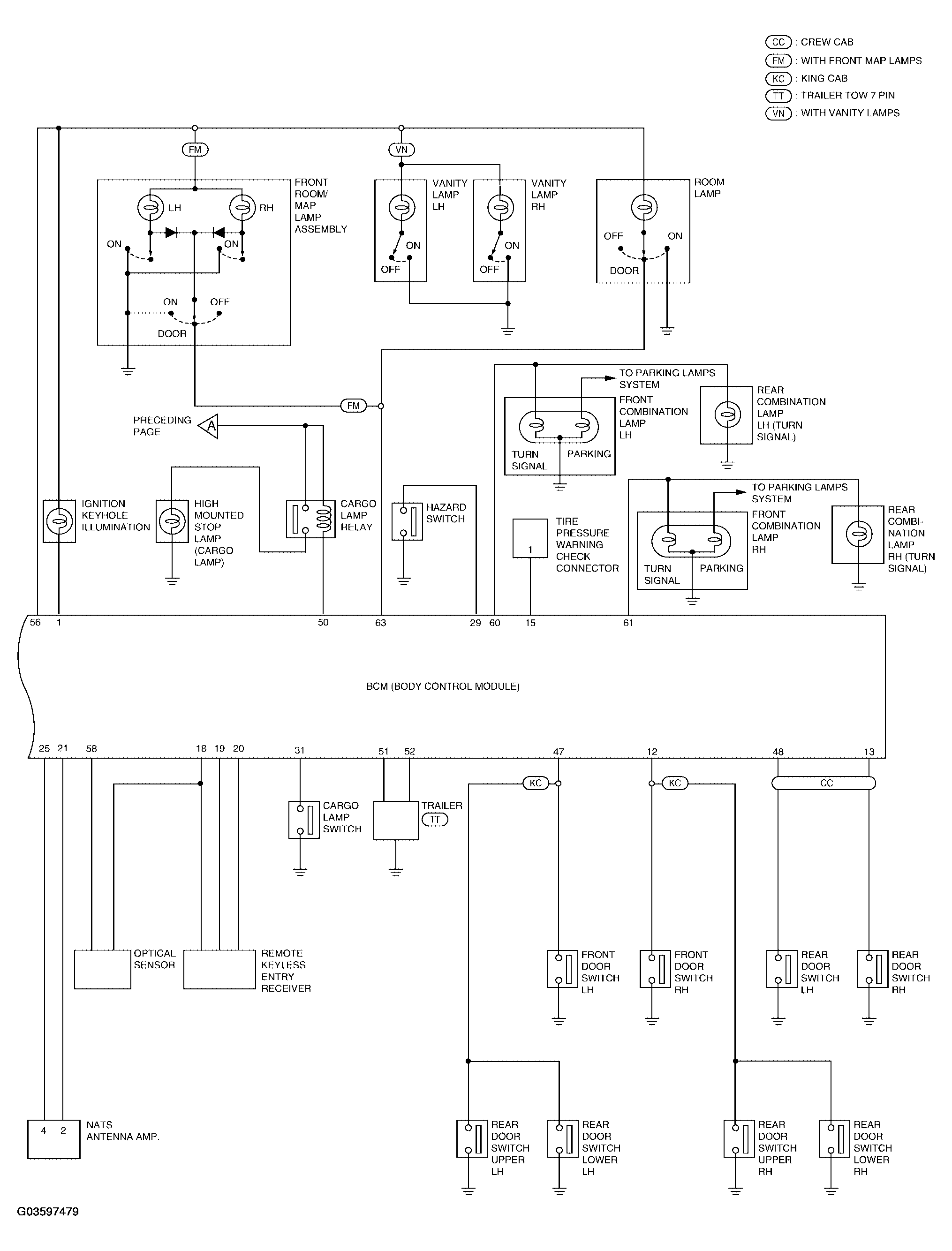
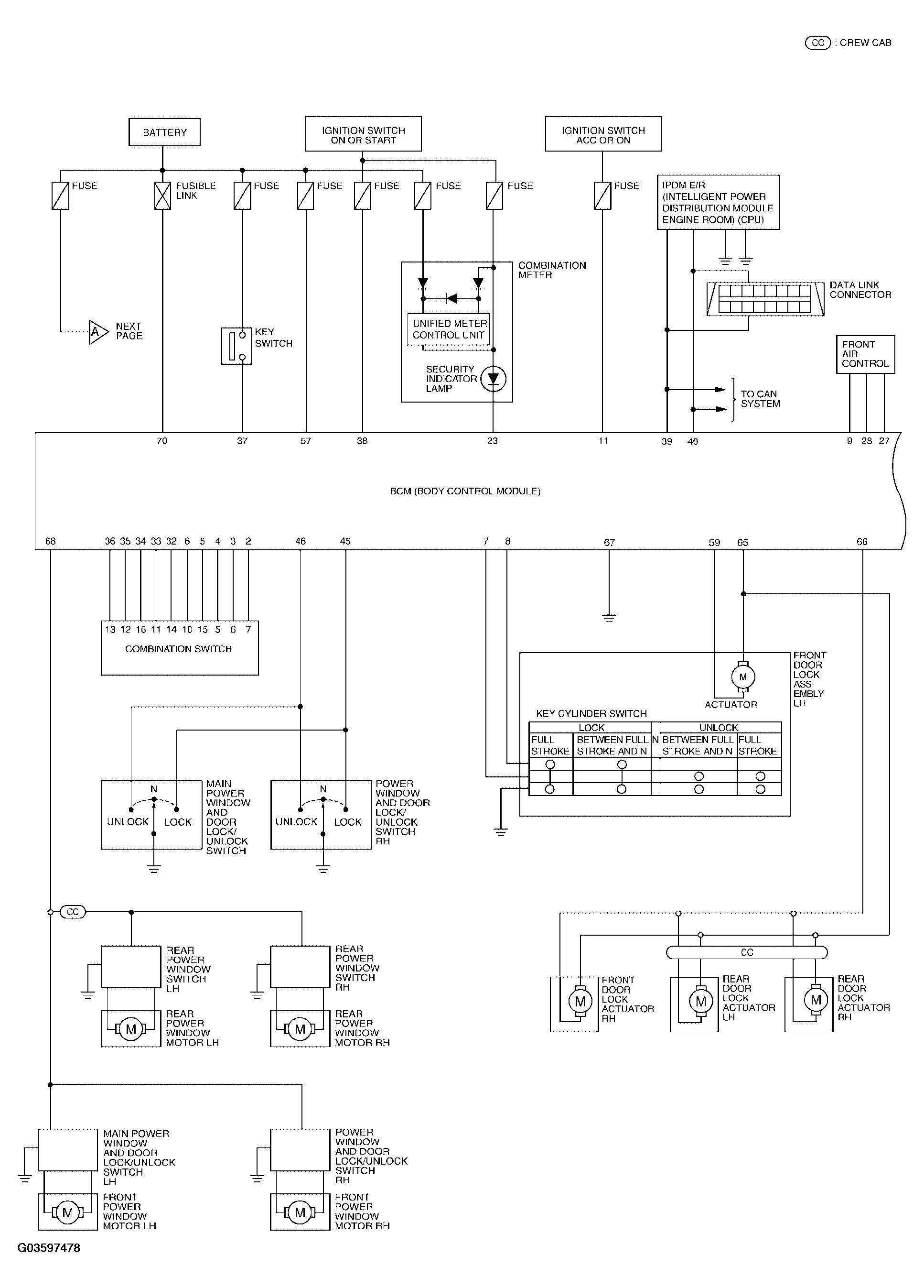
BCM (Body Control Module): Schematic

WARNING: This page is about a different car, the 2005 Nissan Frontier. However, it is still accessible from the selected car via links, so may be relevant.
Fig 1: Identifying CAN Communication System Description (1 Of 2)
G03597478Courtesy of NISSAN MOTOR CO., U.S.A.
Fig 2: Identifying CAN Communication System Description (2 Of 2)
G03597479Courtesy of NISSAN MOTOR CO., U.S.A.