LEMON Manuals: Even more car manuals for everyone
Home >> Nissan-Datsun >> 2004 >> Sentra SE-R >> Repair and Diagnosis >> External Pages >> Different car >> Section 1165 (Navigation System) >> Navigation System >> Wiring Diagram - COMM-

Wiring Diagram - COMM-

WARNING: This page is about a different car, the 2004 Nissan Murano. However, it is still accessible from the selected car via links, so may be relevant.
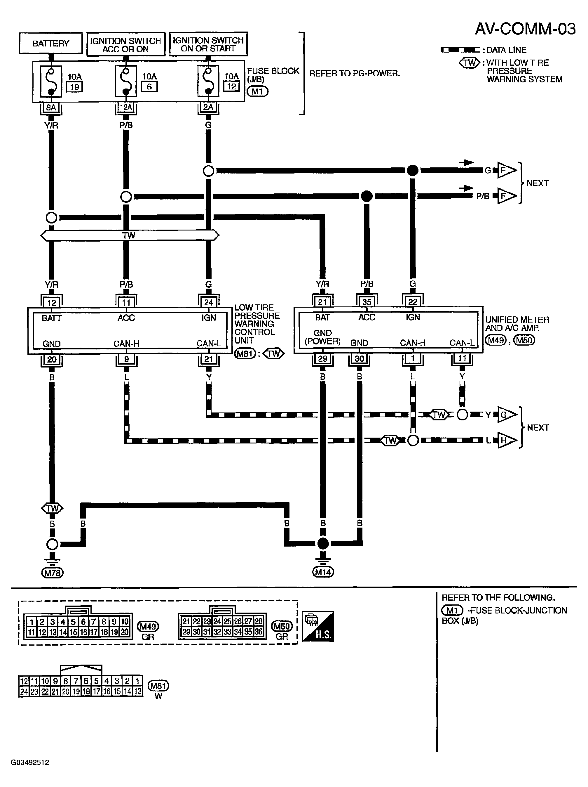
Fig 1: Navigation System Wiring Diagram - AV-COMM-03
G03492512Courtesy of NISSAN MOTOR CO., U.S.A.
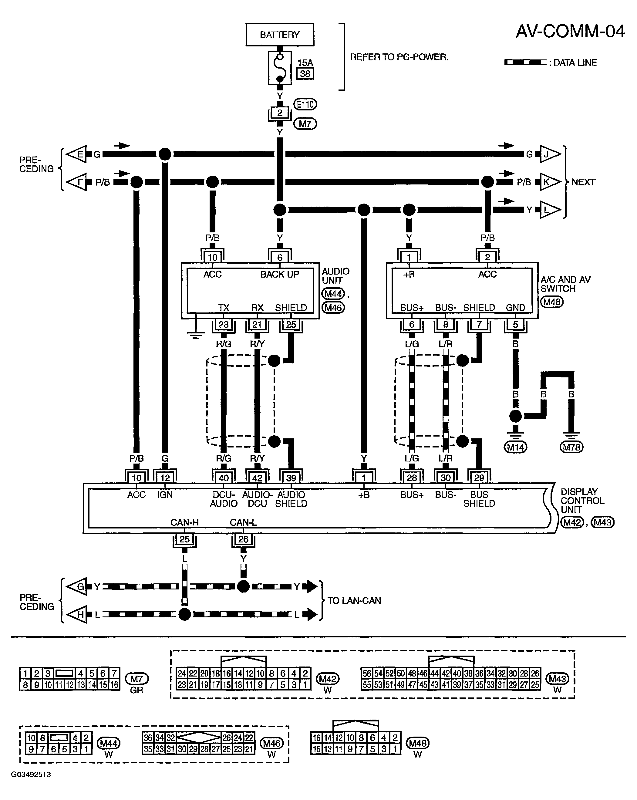
Fig 2: Navigation System Wiring Diagram - AV-COMM-04
G03492513Courtesy of NISSAN MOTOR CO., U.S.A.
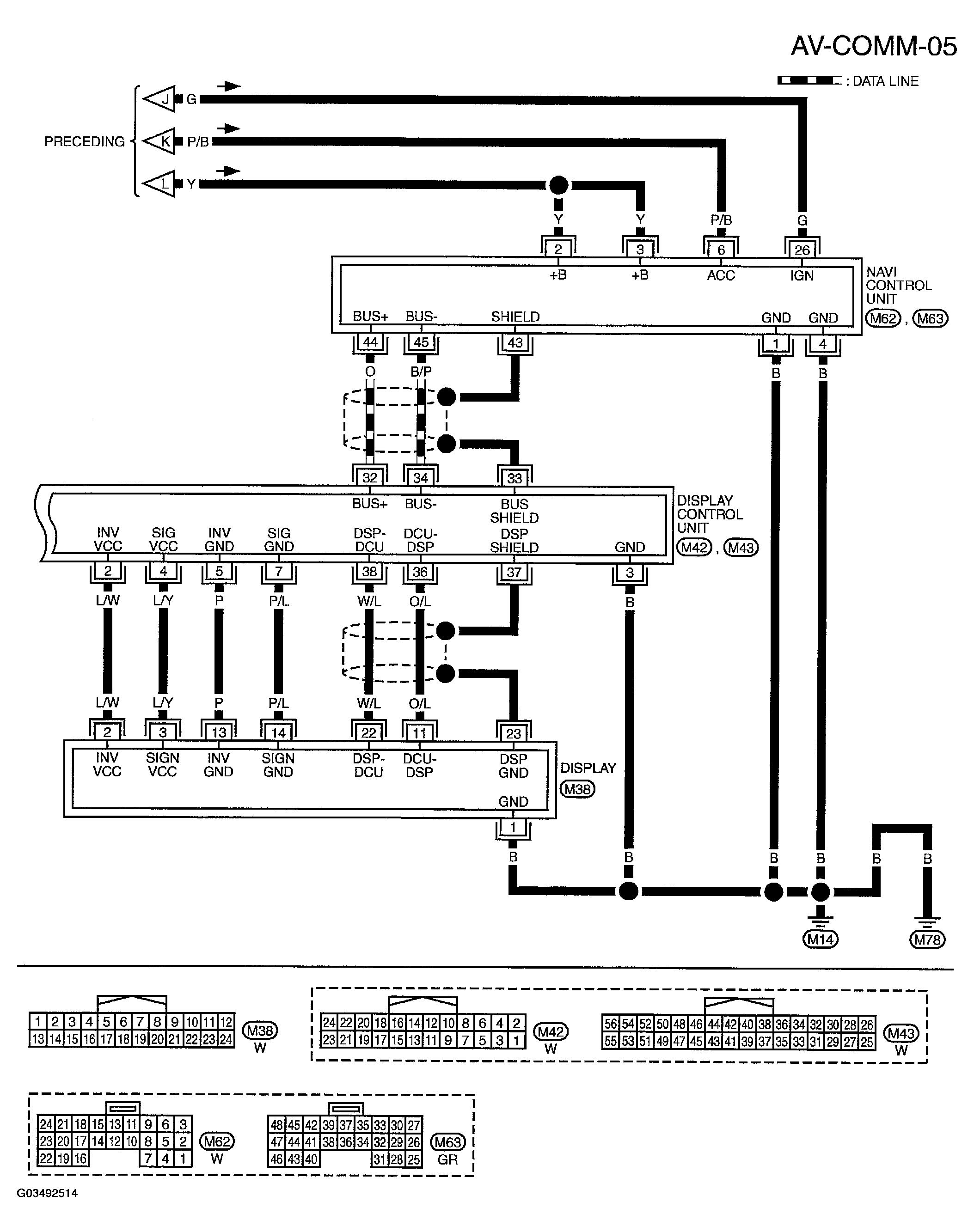
Fig 3: Navigation System Wiring Diagram - AV-COMM-05
G03492514Courtesy of NISSAN MOTOR CO., U.S.A.