LEMON Manuals: Even more car manuals for everyone
Home >> Nissan-Datsun >> 2004 >> Sentra SE-R >> Repair and Diagnosis >> External Pages >> Different car >> Section 1057 (Engine Control System) >> DTC P0171, P0174: Fuel Injection System Function >> Wiring Diagram >> Bank 1

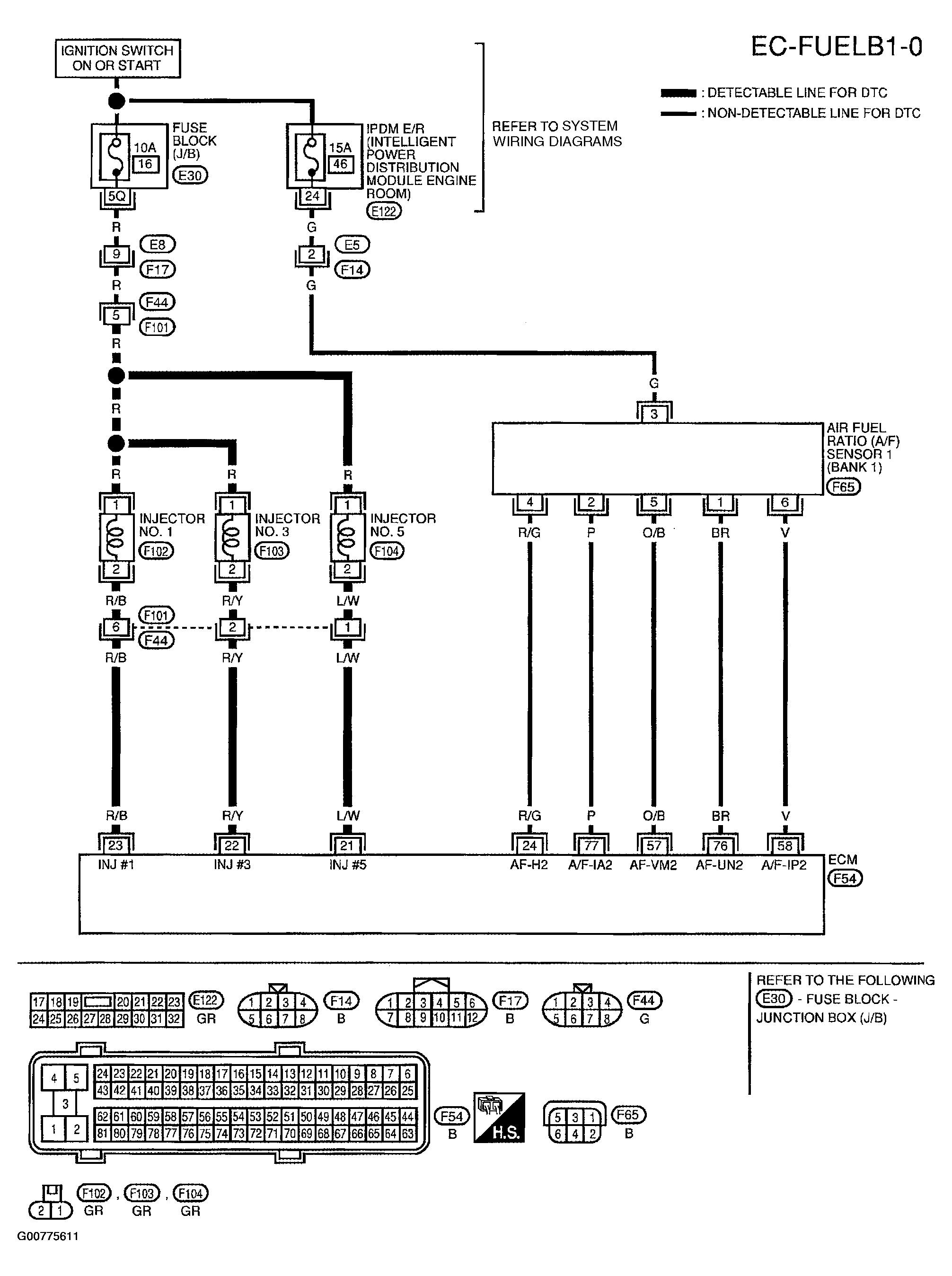
Bank 1

WARNING: This page is about a different car, the 2004 Nissan Quest. However, it is still accessible from the selected car via links, so may be relevant.
Fig 1: Displaying EC-FUELB1-01 Wiring Diagram
G00775611Courtesy of NISSAN MOTOR CO., U.S.A.