LEMON Manuals: Even more car manuals for everyone
Home >> Nissan-Datsun >> 2004 >> Sentra SE-R >> Repair and Diagnosis >> Engine Performance >> System >> Engine Control System - Qr25DE >> Electrical Load Signal >> Wiring Diagram >> A/T Models ULEV And M/T Models

A/T Models ULEV And M/T Models

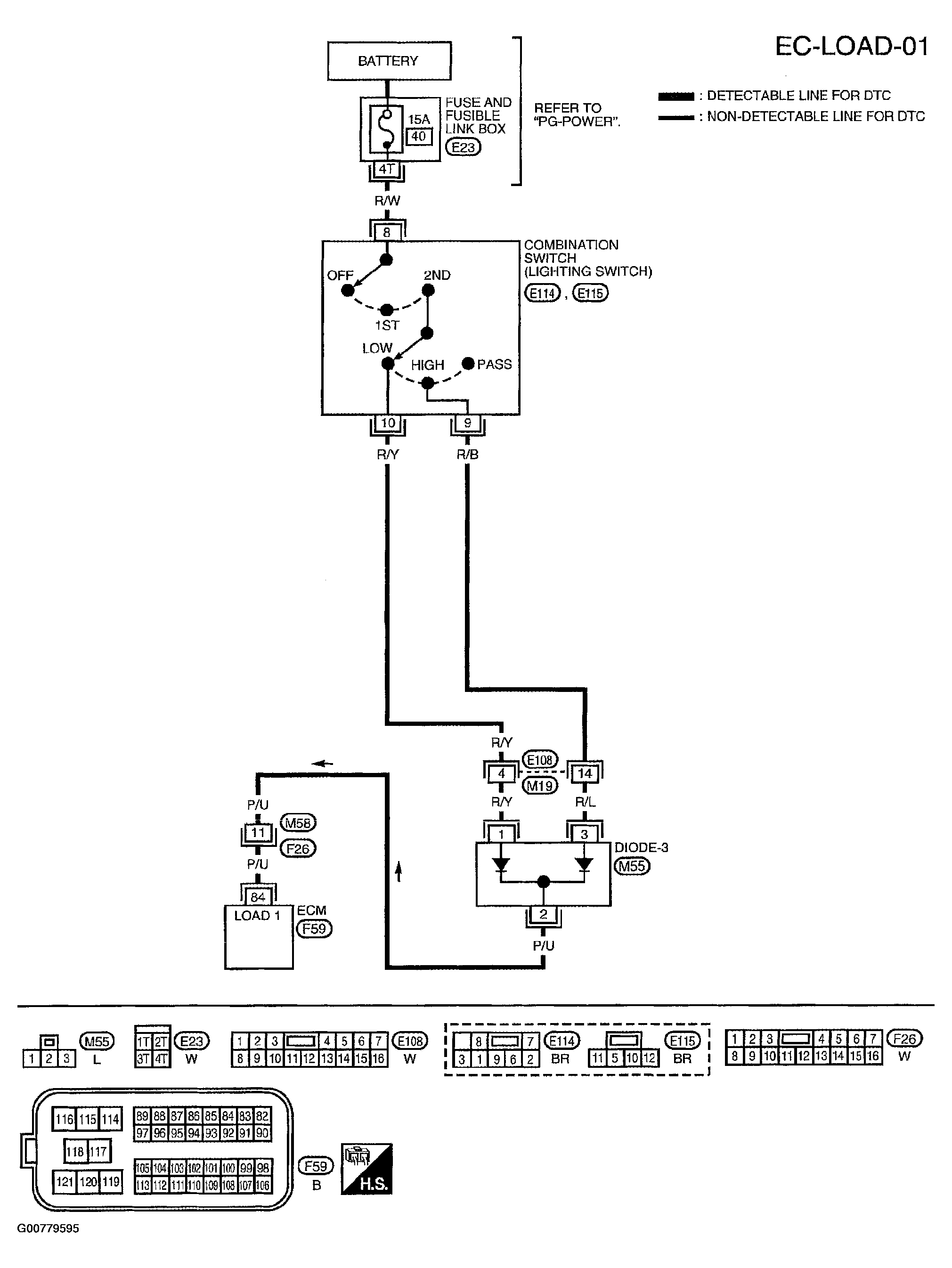
Fig 1: Electrical Load Signal Wiring Diagram - EC-LOAD-01
G00779595Courtesy of NISSAN MOTOR CO., U.S.A.

Specification data are reference values and are measured between each terminal and ground.

CAUTION: Do not use ECM ground terminals when measuring input/output voltage. Doing so may result in damage to the ECM's transistor. Use a ground other than ECM terminals, such as the ground.
Fig 2: Electrical Load Signal Specification Data - EC-LOAD-01 (A/T Models ULEV & M/T Models)
G00779596Courtesy of NISSAN MOTOR CO., U.S.A.
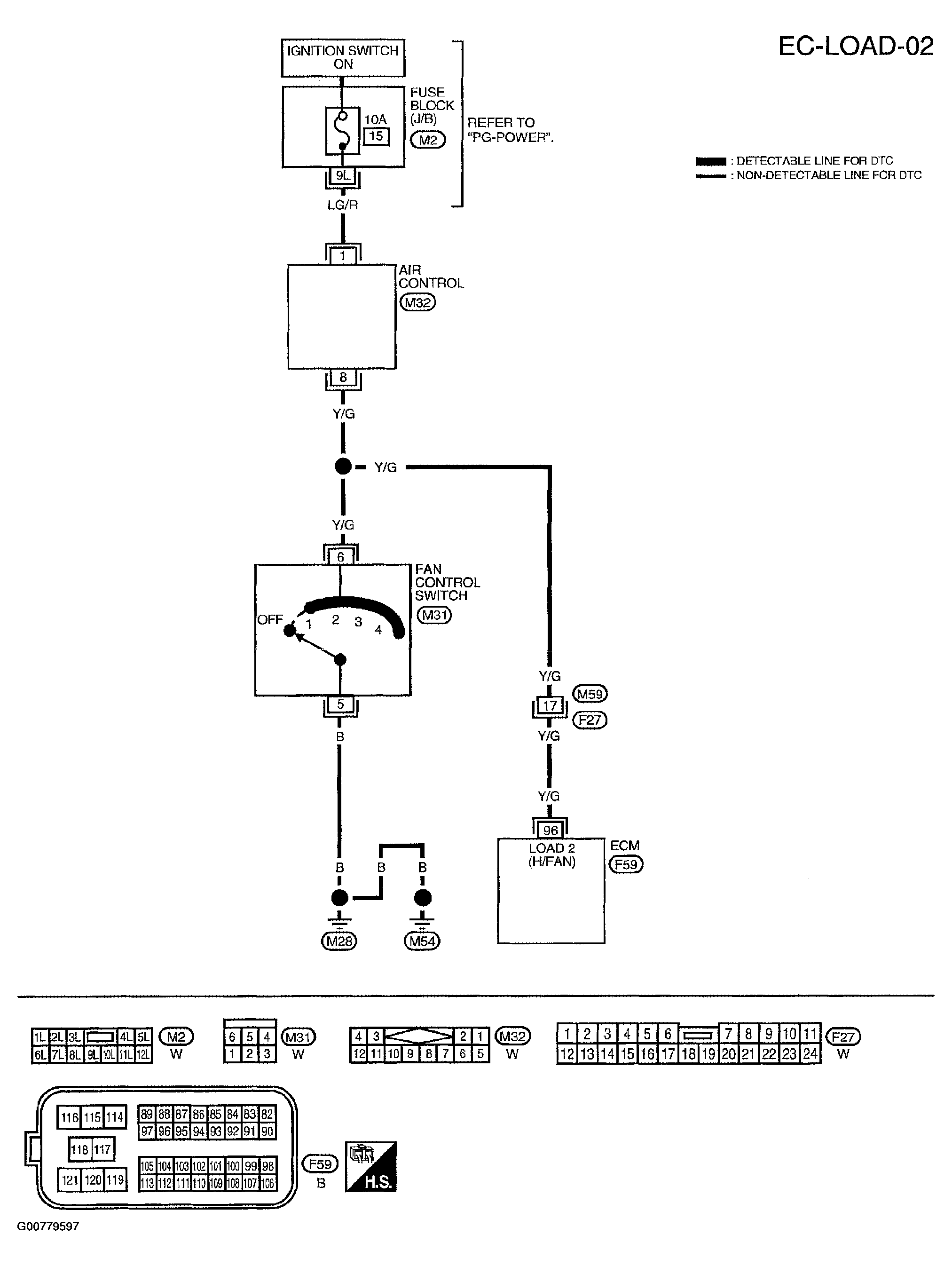
Fig 3: Electrical Load Signal Wiring Diagram - EC-LOAD-02
G00779597Courtesy of NISSAN MOTOR CO., U.S.A.

Specification data are reference values and are measured between each terminal and ground.

CAUTION: Do not use ECM ground terminals when measuring input/output voltage. Doing so may result in damage to the ECM's transistor. Use a ground other than ECM terminals, such as the ground.
Fig 4: Electrical Load Signal Specification Data - EC-LOAD-02 (A/T Models ULEV & M/T Models)
G00779598Courtesy of NISSAN MOTOR CO., U.S.A.
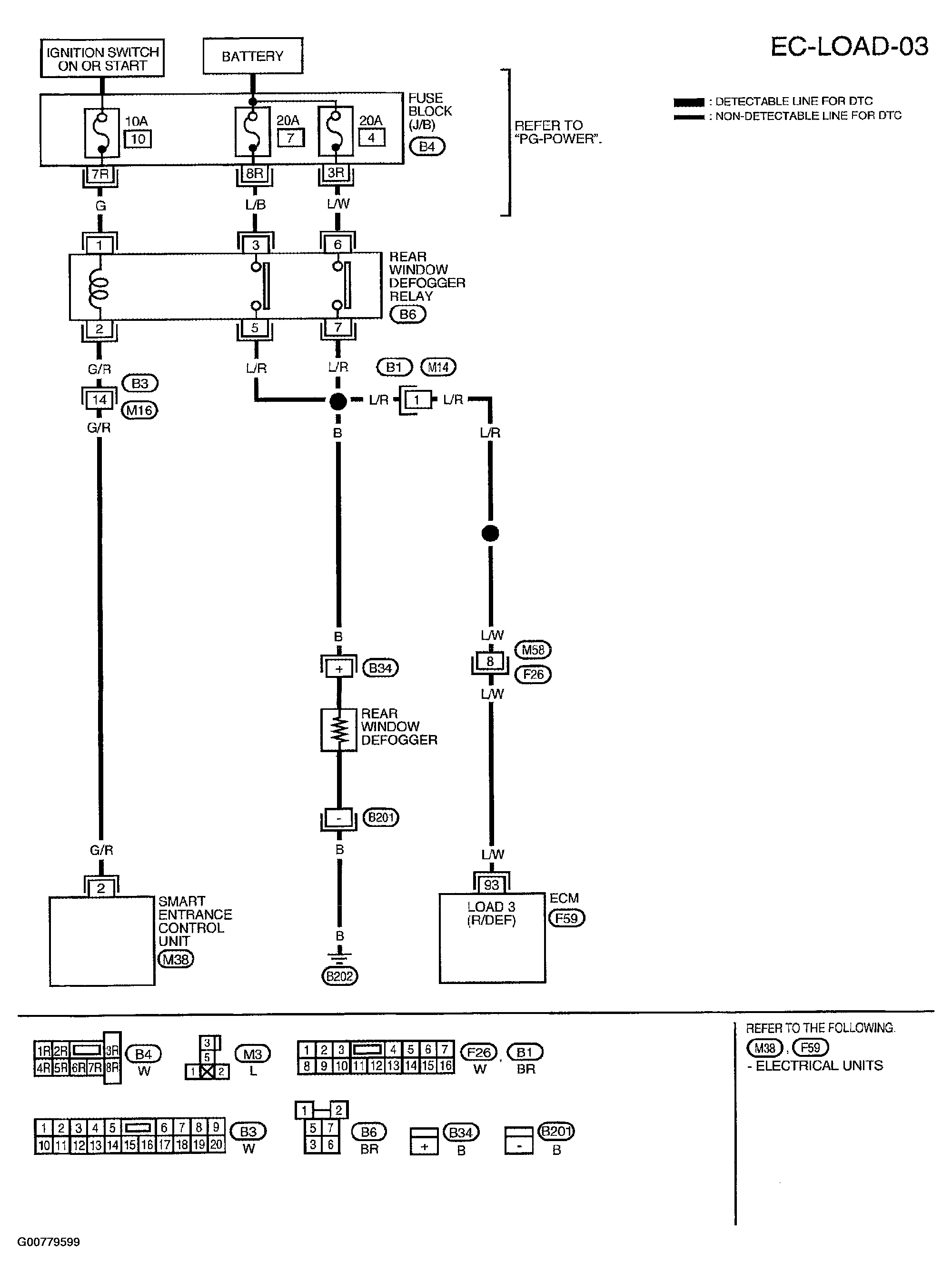
Fig 5: Electrical Load Signal Wiring Diagram - EC-LOAD-03
G00779599Courtesy of NISSAN MOTOR CO., U.S.A.

Specification data are reference values and are measured between each terminal and ground.

CAUTION: Do not use ECM ground terminals when measuring input/output voltage. Doing so may result in damage to the ECM's transistor. Use a ground other than ECM terminals, such as the ground.
Fig 6: Electrical Load Signal Specification Data - EC-LOAD-03 (A/T Models ULEV & M/T Models)
G00779600Courtesy of NISSAN MOTOR CO., U.S.A.