LEMON Manuals: Even more car manuals for everyone
Home >> Nissan-Datsun >> 2004 >> Sentra SE-R >> Repair and Diagnosis >> Engine Performance >> System >> Engine Control System - Qr25DE >> DTC P2135: TP Sensor >> Wiring Diagram

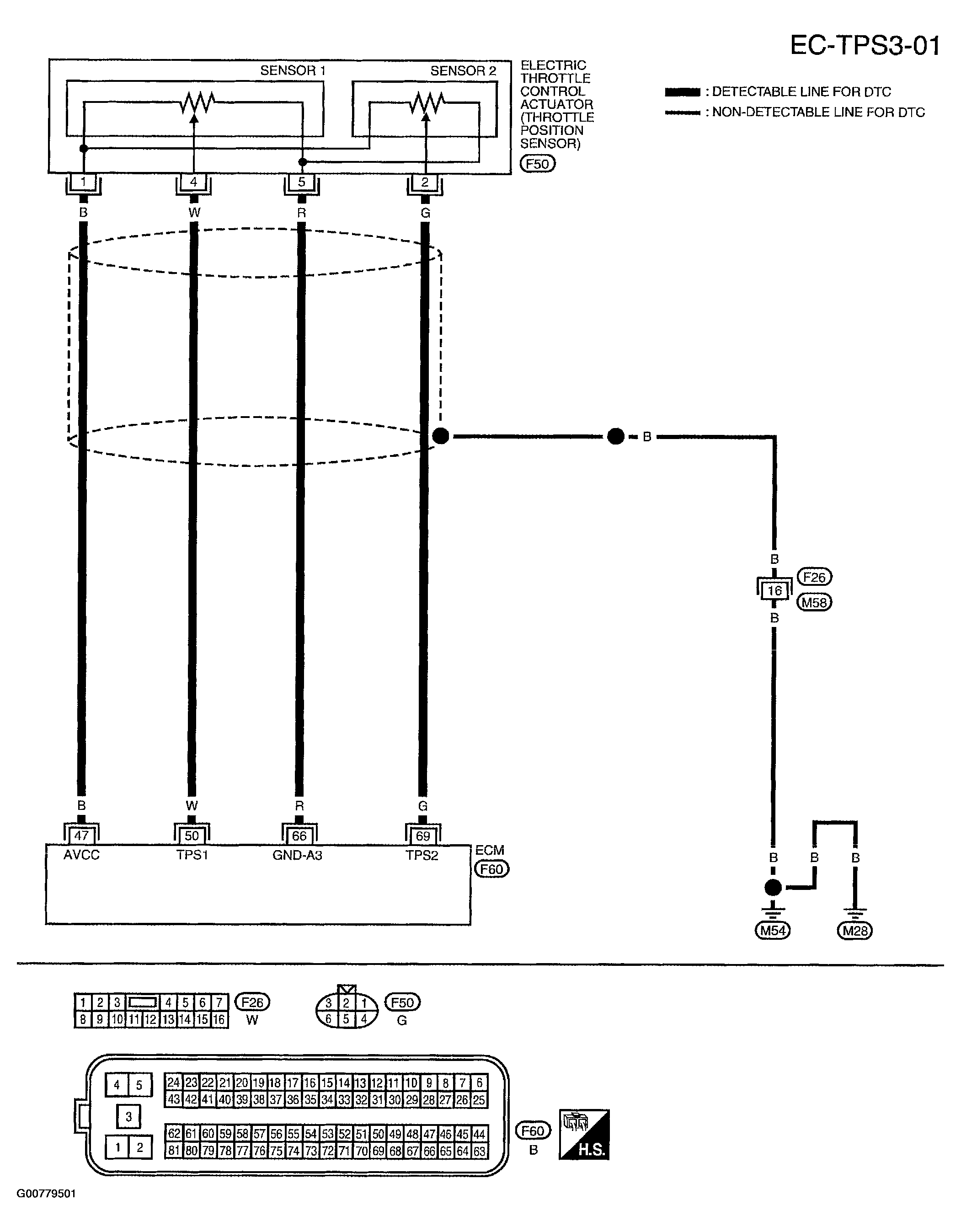
DTC P2135: TP Sensor: Wiring Diagram

Fig 1: TP Sensor Wiring Diagram
G00779501Courtesy of NISSAN MOTOR CO., U.S.A.

Specification data are reference values and are measured between each terminal and ground.

CAUTION: Do not use ECM ground terminals when measuring input/output voltage. Doing so may result in damage to the ECM's transistor. Use a ground other than ECM terminals, such as the ground.
Fig 2: TP Sensor Specification Data
G00779502Courtesy of NISSAN MOTOR CO., U.S.A.