LEMON Manuals: Even more car manuals for everyone
Home >> Nissan-Datsun >> 2004 >> Sentra SE-R >> Repair and Diagnosis >> Engine Performance >> System >> Engine Control System - Qr25DE >> DTC P1122: Electric Throttle Control Function >> Wiring Diagram

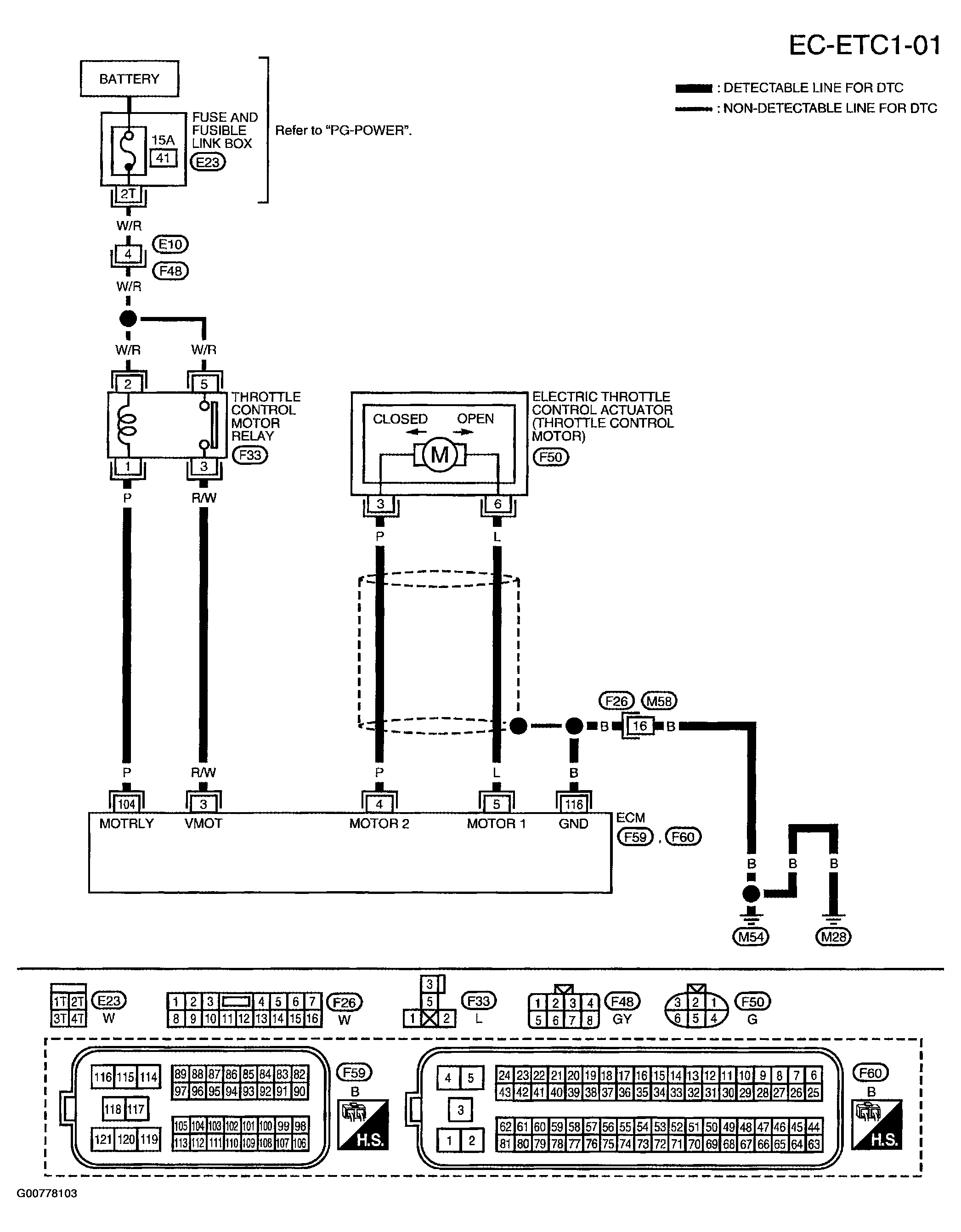
DTC P1122: Electric Throttle Control Function: Wiring Diagram

NOTE: For references to "PG-Power" in wiring diagrams, see POWER DISTRIBUTION in SYSTEM WIRING DIAGRAMS.
Fig 1: Electric Throttle Control Function Wiring Diagram
G00778103Courtesy of NISSAN MOTOR CO., U.S.A.

Specification data are reference values and are measured between each terminal and ground.

Pulse signal is measured by CONSULT-II.

CAUTION: Do not use ECM ground terminals when measuring input/output voltage. Doing so may result in damage to the ECM's transistor. Use a ground other than ECM terminals, such as the ground.
Fig 2: Electric Throttle Control Function Specification Data
G00778104Courtesy of NISSAN MOTOR CO., U.S.A.