LEMON Manuals: Even more car manuals for everyone
Home >> Nissan-Datsun >> 2004 >> Sentra SE-R >> Repair and Diagnosis (Single Page) >> Accessories & Equipment >> Anti-Theft Systems >> Vehicle Security (Theft Warning) System >> Vehicle Security (Theft Warning) System >> Wiring Diagram-VEHSEC- >> Smart Entrance Control Unit Terminals And Reference Value Measured Between Each Terminal And Ground

Smart Entrance Control Unit Terminals And Reference Value Measured Between Each Terminal And Ground

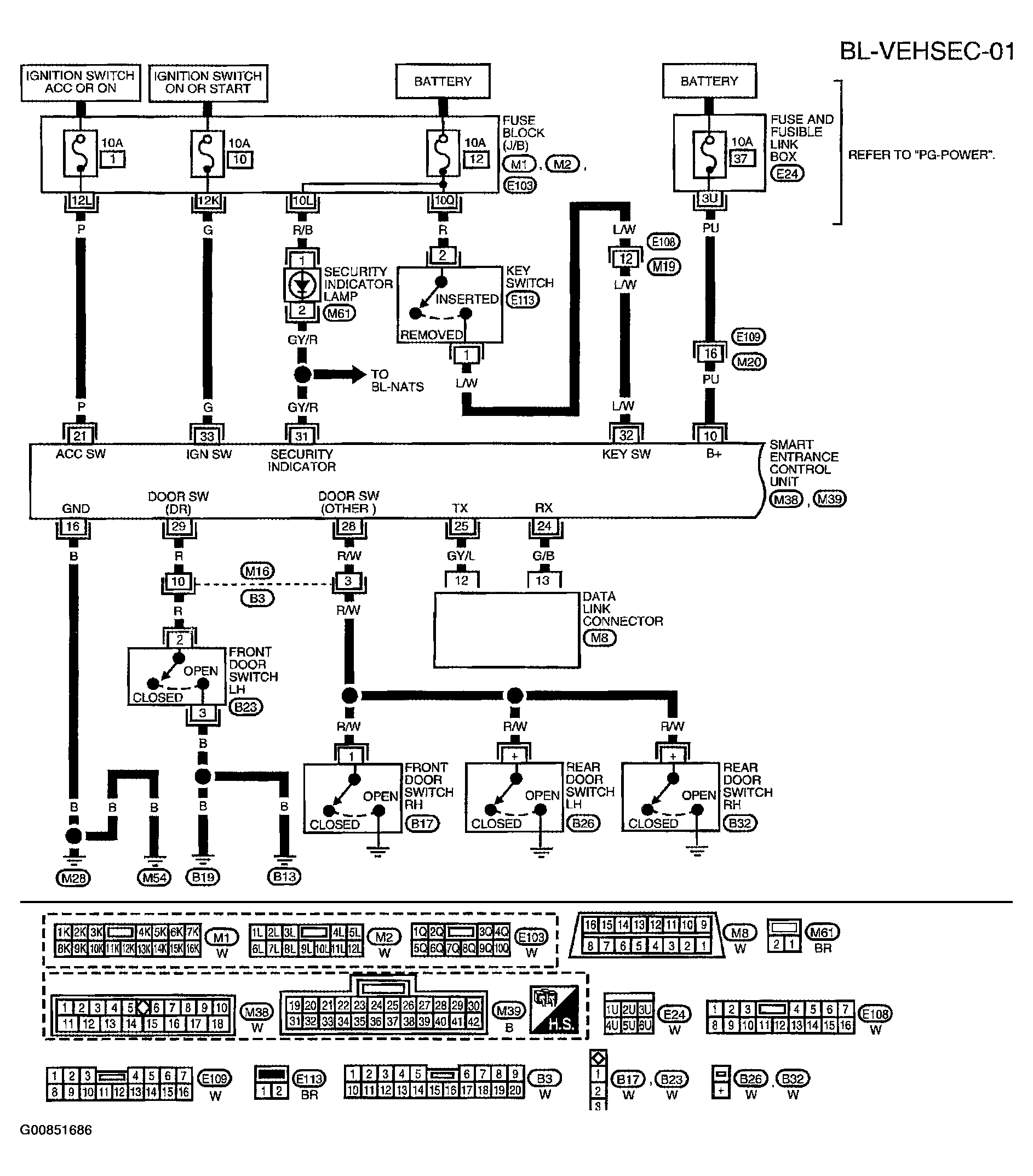
Fig 1: Wiring Diagram - BL-VEHSEC-01
G00851686Courtesy of NISSAN MOTOR CO., U.S.A.
Fig 2: Wiring Color Condition Specification - BL-VEHSEC-01
G00851687Courtesy of NISSAN MOTOR CO., U.S.A.


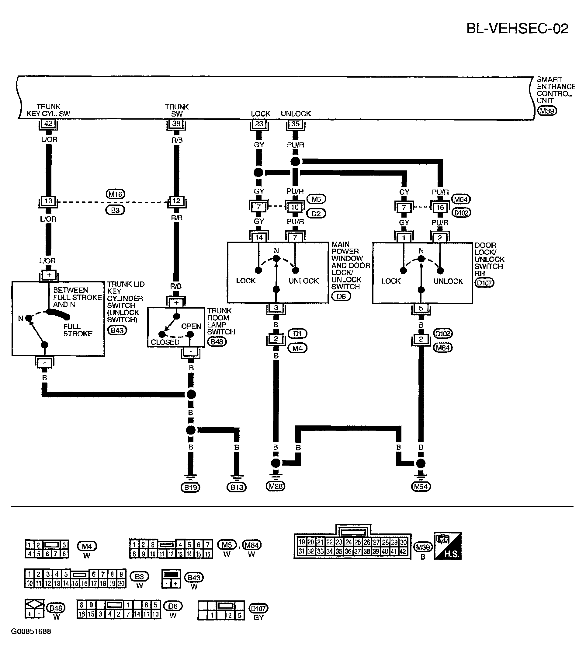
Fig 1: Wiring Diagram - BL-VEHSEC-02
G00851688Courtesy of NISSAN MOTOR CO., U.S.A.
Fig 2: Wiring Color Condition Specification - BL-VEHSEC-02
G00851689Courtesy of NISSAN MOTOR CO., U.S.A.


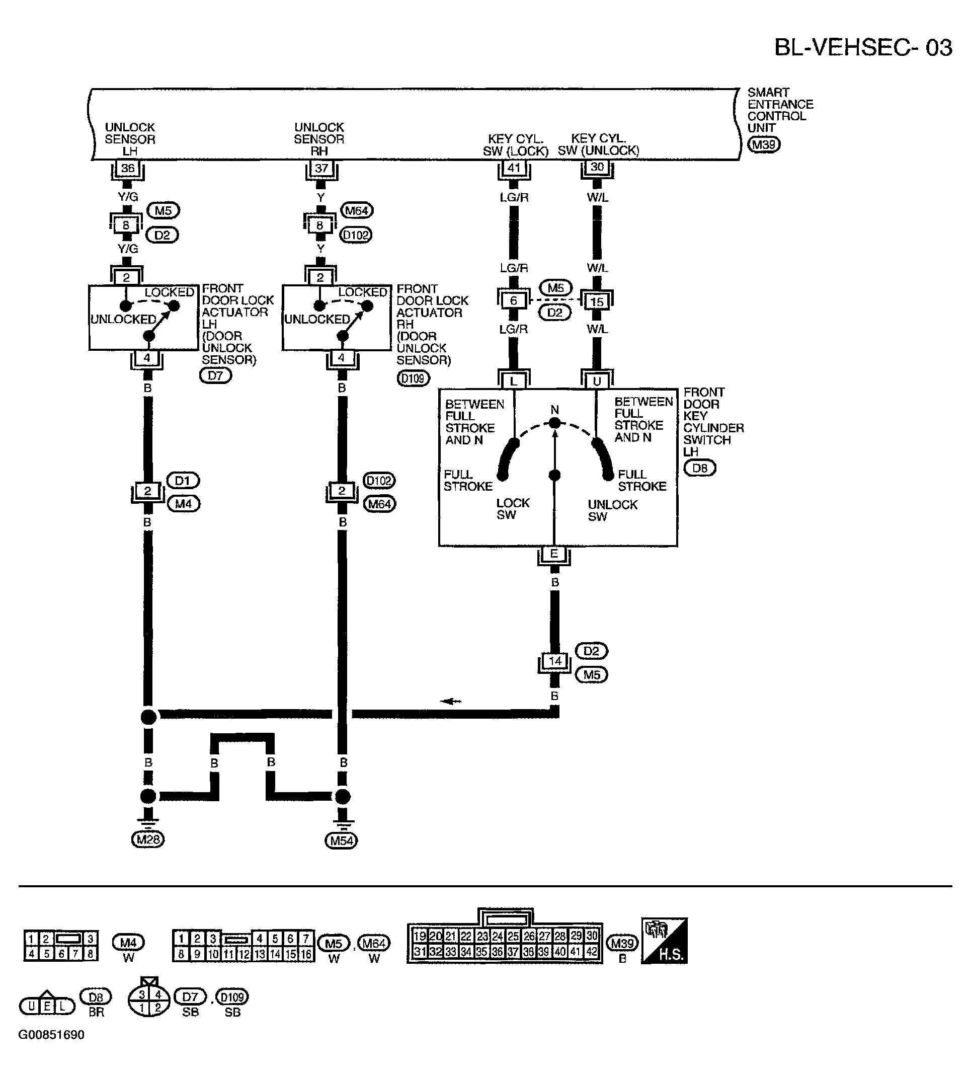
Fig 1: Wiring Diagram - BL-VEHSEC-03
G00851690Courtesy of NISSAN MOTOR CO., U.S.A.
Fig 2: Wiring Color Condition Specification - BL-VEHSEC-03
G00851691Courtesy of NISSAN MOTOR CO., U.S.A.


Fig 1: Wiring Diagram - BL-VEHSEC-04
G00851692Courtesy of NISSAN MOTOR CO., U.S.A.
Fig 2: Wiring Color Condition Specification - BL-VEHSEC-04
G00851693Courtesy of NISSAN MOTOR CO., U.S.A.