LEMON Manuals: Even more car manuals for everyone
Home >> Nissan-Datsun >> 2004 >> Sentra SE-R >> Repair and Diagnosis (Single Page) >> Accessories & Equipment >> Anti-Theft Systems >> Remote Keyless Entry System >> Remote Keyless Entry System >> Trouble Diagnoses >> Key Switch (Insert) Check

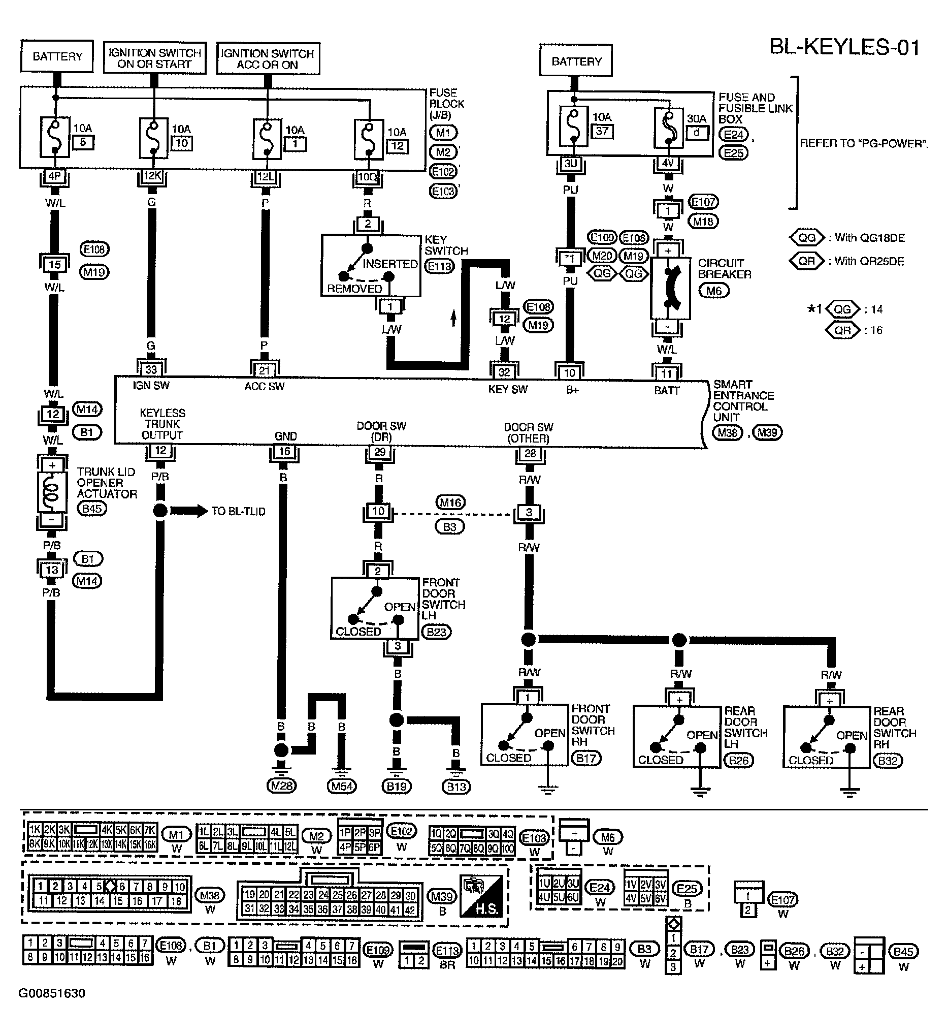
Key Switch (Insert) Check

  1. CHECK KEY SWITCH INPUT SIGNAL 

    With CONSULT-II 

    Check key switch ("KEY ON SW") in "DATA MONITOR" mode with CONSULT-II.

    Fig 1: Identifying Key Switch Input Signal
    G00851655Courtesy of NISSAN MOTOR CO., U.S.A.

    Without CONSULT-II 

    Check voltage between control unit terminal 32 and ground.

    Fig 2: Checking Voltage Between Control Unit Terminal And Ground
    G00851656Courtesy of NISSAN MOTOR CO., U.S.A.

    Refer to "Figure ".

    OK or NG 

    1. OK: Key switch is OK.
    2. NG: GO TO 2.
  2. CHECK KEY SWITCH 

    Check continuity between key switch terminals 1 and 2.

    Fig 3: Identifying Key Switch
    G00851657Courtesy of NISSAN MOTOR CO., U.S.A.

    OK or NG 

    1. OK: Check the following.
      • 10A fuse [No. 12, located in fuse block (J/B)]
      • Harness for open or short between key switch and fuse
      • Harness for open or short between smart entrance control unit and key switch
    2. NG: Replace key switch.